1ц2у
Редуктор 1Ц2У является цилиндрическим двухступенчатым горизонтальным редуктором общемашиностроительного.
Редуктор 1Ц2У цилиндрический двухступенчатый общемашиностроительного применения и предназначен для изменения крутящего момента за счёт изменения частоты вращения.
УСЛОВИЯ ПРИМЕНЕНИЯ РЕДУКТОРОВ:
- нагрузка постоянная и переменная,одного направления и реверсивная;
- работа длительная или с периодическими остановками;
- вращение валов в любую сторону;
- частота вращения входного вала не должна превышать 1500 об/мин;
- атмосфера типов I и II по ГОСТ 15150-69 при запыленности воздуха не более 10 мг /куб.м.;
- климатические исполнения У, Т для категории размещения 1...3 и климатические исполнения УХЛ и О для категорий размещения 4 по ГОСТ 15150-69.
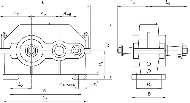
Габаритные и присоединительные размеры редуктора 1Ц2У:

| AWT | AWб | A | B | B1 | H | H1 | h | L | L1 | L2 | L3 | L4 | L5 | d |
| 200 | 125 | 515 | 230 | 165 | 420 | 212 | 30 | 670 | 580 | 165 | 236 | 212 | 280 | 24 |
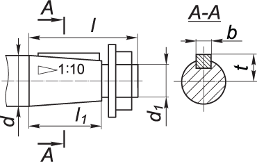
Размеры конических валов цилиндрического редуктора 1Ц2У:

| быстроходный вал | тихоходный вал | ||||||||||
| d | d1 | l | l1 | b | t | d | d1 | l | l1 | b | t |
| 30 | М20×1.5 | 80 | 58 | 5 | 15.55 | 70 | М48×3 | 140 | 105 | 18 | 36.38 |
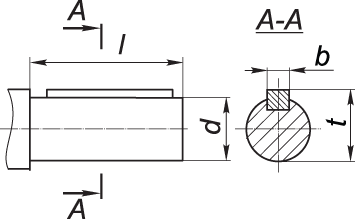
Размеры цилиндрических валов редуктора 1Ц2У:

| быстроходный вал | тихоходный вал | ||||||
| d | l | b | t | d | l | b | t |
| 25k6 | 58 | 8 | 28 | 65m6 | 105 | 18 | 69 |
Размеры тихоходного вала редуктора 1Ц2У в виде зубчатой муфты:

| b | d | d1 | d2 | d3 | L | l | l1 | Зацепление | |
| m | z | ||||||||
| 25 | 210 | 100 | 80F8 | 105 | 192 | 10 | 50 | 5 | 40 |
Варианты сборки цилиндрического двухступенчатого редуктора 1Ц2У-200:

Технические характеристики редуктора 1Ц2У-200:
| Передаточное число | 8; 10; 12.5; 16; 20; 25; 31.5; 40 | |
| Значение Мкр при длительном сроке работы с постоянной нагрузкой, Нм | Непрерывный (Н) ПВ=100% | 2500 |
| Значение Мкр при работе с кратковременной повторяющейся нагрузкой, Нм | Тяжелый (Т) ПВ=40% | 3150 |
| Средний (С) ПВ=25% | 4000 | |
| Легкий (Л) ПВ=15% | 5000 | |
| Нагрузка, которая прикладывается к входному валу Fвх, Н | Непрерывный (Н) ПВ=100% | 2240 |
| Тяжелый (Т) ПВ=40% | 2500 | |
| Средний (С) ПВ=25% | 2800 | |
| Легкий (Л) ПВ=15% | 3150 | |
| Нагрузка, которая прикладывается к выходному валу Fвых, Н | Непрерывный (Н) ПВ=100% | 12500 |
| Тяжелый (Т) ПВ=40% | 14000 | |
| Средний (С) ПВ=25% | 16000 | |
| Легкий (Л) ПВ=15% | 18000 | |
| КПД, % | 97 | |
| Вес редуктора, кг | Корпус из алюминия | - |
| Корпус из чугуна | 170 | |
ПРИМЕР УСЛОВНОГО ОБОЗНАЧЕНИЯ ПРИ ЗАКАЗЕ:

1ц2у
Нет отзывов об этом товаре.
Нет отзывов о данном товаре, станьте первым, оставьте свой отзыв.
Нет вопросов о данном товаре, станьте первым и задайте свой вопрос.