МР2-315 планетарный мотор редуктор
Мотор-редуктор МР2-315
Мотор-редуктор МР2-315 состоящий из планетарного редуктора и электропривода, предназначен для передачи крутящего момента другим вращающимся механизмам, которые используются в основном в химической промышленности.
Планетарный мотор-редуктор МР2-315 является очень надежным и долговечным. Имеет возможность длительной работы без остановок с вращением валов в любую из сторон.
Приобрести данную модель мотор-редуктора можно у нас на сайте копании «Промпривод». Для этого Вы можете оставить заявку на сайте или позвонить нашим специалистам по указанному номеру на сайте. Покупая у нас, Вы получаете не только высокое качество изделия по цене от производителя, но и оригинальный паспорт и гарантию 12 месяцев. Доставка производится по всей территории Украины, способом, который наиболее подходит непосредственно Вам.
Технические характеристики мотор редуктора МР2-315:
| Частота вращения выходного вала n, об/мин | Номинальный крутящий момент на выходном валу Мкр, Нм | Мощность электродвигателя Р, кВт |
| 25 | 4071 | 11 |
| 6847 | 18.5 | |
| 32 | 4337 | 15 |
| 6361 | 22 | |
| 40 | 3470 | 15 |
| 4280 | 18.5 | |
| 6940 | 30 | |
| 50 | 3424 | 18.5 |
| 6847 | 37 | |
| 64 | 2675 | 18.5 |
| 4337 | 30 | |
| 6506 | 45 | |
| 80 | 2140 | 18.5 |
| 3470 | 30 | |
| 5205 | 45 |

Габаритные и присоединительные размеры мотор редуктора МР2-315:
| А | А1 | В | В1 | D | D1 | D2 | Н | Н1 |
| 250 | 480 | 292 | 524 | 450 | 500 | 550 | 585 | 250 |
| Н2 | L | L1 | L2 | L3 | L4 | L5 | d | d1 |
| 35 | 781 | 300 | 18 | 30 | 21 | 675 | 26 | 26 |

Присоединительные размеры цилиндрического вала мотор-редуктора МР2-315:
| d | d1 | d2 | l | l1 | l2 | b | t |
| 90 | 80 | 88 | 170 | 10 | 8 | 25 | 99 |

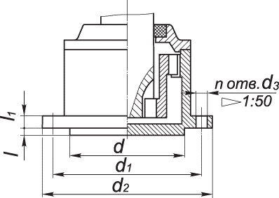
Присоединительные размеры вала в виде зубчатой полумуфты мотор редуктора МР2-315:
| d | d1 | d2 | d3 | l | l1 | n |
| 115 | 224 | 260 | 20 | 4 | 22 | 6 |
Пример условного обозначения мотор-редуктора при заказе:
МР2-315-15-40-Ф2В-У3 где:
МР2 - тип мотор-редуктора;
315 - габарит;
15 - исполнение по комплектующему электродвигателю;
80 - частота вращения выходного вала, об/мин;
Ф2 - исполнение горизонтальное фланцевое;
В - цилиндрический конец выходного вала;
У3 - климатическое исполнение и категория размещения.
МР2-315 планетарний мотор редуктор
Нет отзывов об этом товаре.
Нет отзывов о данном товаре, станьте первым, оставьте свой отзыв.
Нет вопросов о данном товаре, станьте первым и задайте свой вопрос.