МР2-500 планетарный мотор редуктор
Планетарный мотор-редуктор МР2-500
МР2-500 является планетарным мотор-редуктором, который используют в химической промышленности, а также в других отраслях. Задача редуктора – это передача своего крутящего момента другим крутящимся элементам.
Мотор-редуктор МР2-500 может работать длительное время с разними типами нагрузки. Температура окружающей среды для эксплуатации должна быть в пределах от -40 до +40 градусов Цельсия.
Приобрести данную модель мотор-редуктора можно на сайте компании производителя «Промпривод». Для этого Вы можете оставить заявку онлайн или позвонить нашим специалистам по указанному номеру на сайте. Покупая у нас, Вы получаете не только высокое качество изделия по цене от производителя, но и оригинальный паспорт и гарантию 12 месяцев. Доставка производится по всей территории Украины, способом, который наиболее подходит непосредственно Вам. Для постоянных клиентов и оптовых покупателей действует гибкая система скидок.
Технические характеристики мотор редуктора МР2-500:
| Частота вращения выходного вала n, об/мин | Номинальный крутящий момент на выходном валу Мкр, Нм | Мощность электродвигателя Р, кВт |
| 16 | 17349 | 30 |
| 20 | 17118 | 37 |
| 25 | 13694 | 37 |
| 32 | 8675 | 30 |
| 15904 | 55 | |
| 40 | 6904 | 30 |
| 12723 | 55 | |
| 17349 | 75 | |
| 50 | 5552 | 30 |
| 10178 | 55 | |
| 16655 | 90 | |
| 64 | 7952 | 55 |
| 13012 | 90 | |
| 15904 | 110 | |
| 80 | 10410 | 90 |
| 15267 | 132 |

Габаритные и присоединительные размеры мотор редуктора МР2-500:
| А | А1 | В | В1 | D | D1 | D2 | Н | Н1 |
| 330 | 640 | 465 | 740 | 720 | 780 | 840 | 825 | 400 |
| Н2 | L | L1 | L2 | L3 | L4 | L5 | d | d1 |
| 70 | 1045 | 355 | 28 | 40 | 40 | 765 | 26 | 39 |

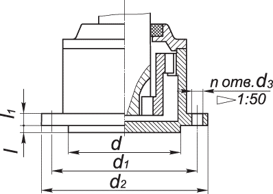
Присоединительные размеры цилиндрического вала мотор-редуктора МР2-500:
| d | d1 | d2 | l | l1 | l2 | b | t |
| 125 | 110 | 123 | 210 | 12 | 10 | 32 | 136 |

Присоединительные размеры вала в виде зубчатой полумуфты мотор редуктора МР2-500:
| d | d1 | d2 | d3 | l | l1 | n |
| по индивидуальному заказу | ||||||
Пример условного обозначения мотор-редуктора при заказе:
МР2-500-15-40-Ф2В-У3 где:
МР2 - тип мотор-редуктора;
500 - габарит;
15 - исполнение по комплектующему электродвигателю;
80 - частота вращения выходного вала, об/мин;
Ф2 - исполнение горизонтальное фланцевое;
В - цилиндрический конец выходного вала;
У3 - климатическое исполнение и категория размещения.
МР2-500 планетарний мотор редуктор
Нет отзывов об этом товаре.
Нет отзывов о данном товаре, станьте первым, оставьте свой отзыв.
Нет вопросов о данном товаре, станьте первым и задайте свой вопрос.