МР3-315 планетарный мотор редуктор
Мотор-редукторы МР3-315
Мотор-редукторы планетарного типа серии МР3-315 предназначаются для продолжительной работы в составе оборудования различного предназначения. Гарантированная длительность эксплуатации устройства составляет не менее 40000 часов. Оборудование способно непрерывно работать в реверсивном режиме на протяжении длительного времени. При реверсивном использовании для сохранения работоспособности конструкции механизмов, необходимо обеспечивать периодические остановки.
Нормальная эксплуатация устройства возможна в неагрессивной среде. Использование современных технологий в процессе производства данного оборудования позволяет получать качественные редукторы, которые будут надежно выполнять свою работу в составе любых машин. Высокая прочность редуктора обеспечивается за счет применения современных сплавов.
В зависимости от модели, конструкция редуктора может иметь различные варианты оформления. Это может быть горизонтальное размещение цилиндрического вала или вертикальное, предполагающее выход вала вниз. В последнем случае он может иметь цилиндрическую или специальную форму. Это существенно расширяет сферу использования и позволяет создавать оборудование различной конфигурации.
Основным преимуществом планетарных мотор-редукторов является компактность, которая прекрасно совмещается с высокими передаточными числами. Высокая устойчивость к ударным нагрузкам позволяет использовать устройства в качестве электромеханических приводов производственных линий любого назначения. Главной особенностью редуктора типа МР3-315 является наличие трех ступеней, что обеспечивает существенное повышение передаточного числа, что позволяет использовать его в качестве мощных приводов для различного оборудования.
Технические характеристики:
- 3 ступени способствующие увеличению передаточного числа;
- возможность различного климатического исполнения;
- три типа конструкции редуктора, с различным размещением выходного вала;
- питание: 380 или 220 В 50 Гц;
- передаточное число зависит от выбранной модели;
- рабочие температуры: -40…+40⁰С.
Условия применения:
- вращение вала в две стороны;
- время непрерывного использования: до 24 часов в сутки;
- постоянная или периодическая нагрузка различной направленности;
- максимальная рабочая высота: до 1000 м над уровнем моря;
- неагрессивная окружающая среда.
Технические характеристики мотор редуктора МР3-315:
| Частота вращения выходного вала n, об/мин | Номинальный крутящий момент на выходном валу Мкр, Нм | Мощность электродвигателя Р, кВт |
| 6.3 | 4313 | 3 |
| 7908 | 5.5 | |
| 8 | 4529 | 4 |
| 8492 | 7.5 | |
| 10 | 3623 | 4 |
| 4982 | 5.5 | |
| 6794 | 7.5 | |
| 12.5 | 3986 | 5.5 |
| 7971 | 11 | |
| 16 | 4246 | 7.5 |
| 6228 | 11 | |
| 8492 | 15 | |
| 20 | 3397 | 7.5 |
| 4982 | 11 | |
| 6794 | 15 |

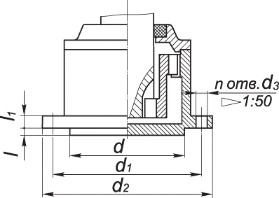
Габаритные и присоединительные размеры мотор редуктора МР3-315:
| А | А1 | В | В1 | D | D1 | D2 | Н | Н1 |
| 250 | 480 | 292 | 524 | 450 | 500 | 550 | 585 | 250 |
| Н2 | L | L1 | L2 | L3 | L4 | L5 | d | d1 |
| 35 | 781 | 300 | 18 | 30 | 21 | 675 | 26 | 26 |

Присоединительные размеры цилиндрического вала мотор-редуктора МР3-315:
| d | d1 | d2 | l | l1 | l2 | b | t |
| 90 | 80 | 88 | 170 | 10 | 8 | 25 | 99 |

Присоединительные размеры вала в виде зубчатой полумуфты мотор редуктора МР3-315:
| d | d1 | d2 | d3 | l | l1 | n |
| 115 | 224 | 260 | 20 | 4 | 22 | 6 |
Пример условного обозначения мотор-редуктора при заказе:
МР3-315-15-40-Ф2В-У3 где:
МР3 - тип мотор-редуктора;
315 - габарит;
15 - исполнение по комплектующему электродвигателю;
80 - частота вращения выходного вала, об/мин;
Ф2 - исполнение горизонтальное фланцевое;
В - цилиндрический конец выходного вала;
У3 - климатическое исполнение и категория размещения.
МР3-315 планетарний мотор редуктор
Нет отзывов об этом товаре.
Нет отзывов о данном товаре, станьте первым, оставьте свой отзыв.
Нет вопросов о данном товаре, станьте первым и задайте свой вопрос.