МР3-500 планетарный мотор редуктор
Мотор-редукторы МР3-500
Мотор-редукторы планетарного типа серии МР3-500 предназначаются для продолжительной работы в составе оборудования различного предназначения. Гарантированная длительность эксплуатации устройства составляет не менее 40000 часов. Оборудование способно непрерывно работать в реверсивном режиме на протяжении длительного времени. При реверсивном использовании для сохранения работоспособности конструкции механизмов, необходимо обеспечивать периодические остановки.
Нормальная эксплуатация устройства возможна в неагрессивной среде. Использование современных технологий в процессе производства данного оборудования позволяет получать качественные редукторы, которые будут надежно выполнять свою работу в составе любых машин. Высокая прочность редуктора обеспечивается за счет применения современных сплавов.
В зависимости от модели, конструкция редуктора может иметь различные варианты оформления. Это может быть горизонтальное размещение цилиндрического вала или вертикальное, предполагающее выход вала вниз. В последнем случае он может иметь цилиндрическую или специальную форму. Это существенно расширяет сферу использования и позволяет создавать оборудование различной конфигурации.
Основным преимуществом планетарных мотор-редукторов является компактность, которая прекрасно совмещается с высокими передаточными числами. Высокая устойчивость к ударным нагрузкам позволяет использовать устройства в качестве электромеханических приводов производственных линий любого назначения. Главной особенностью редуктора типа МР3-500 является наличие трех ступеней, что обеспечивает существенное повышение передаточного числа, что позволяет использовать его в качестве мощных приводов для различного оборудования.
Технические характеристики:
- 3 ступени способствующие увеличению передаточного числа;
- возможность различного климатического исполнения;
- три типа конструкции редуктора, с различным размещением выходного вала;
- питание: 380 или 220 В 50 Гц;
- передаточное число зависит от выбранной модели;
- рабочие температуры: -40…+40⁰С.
Условия применения:
- вращение вала в две стороны;
- время непрерывного использования: до 24 часов в сутки;
- постоянная или периодическая нагрузка различной направленности;
- максимальная рабочая высота: до 1000 м над уровнем моря;
- неагрессивная окружающая среда.
Технические характеристики мотор редуктора МР3-500:
| Частота вращения выходного вала n, об/мин | Номинальный крутящий момент на выходном валу Мкр, Нм | Мощность электродвигателя Р, кВт |
| 5 | 19928 | 11 |
| 6.3 | 15816 | 11 |
| 26599 | 18.5 | |
| 8 | 16984 | 15 |
| 24910 | 22 | |
| 10 | 13587 | 15 |
| 16758 | 18.5 | |
| 27175 | 30 | |
| 12.5 | 13406 | 18.5 |
| 26812 | 37 | |
| 16 | 10474 | 18.5 |
| 16984 | 30 | |
| 25476 | 45 | |
| 20 | 8379 | 18.5 |
| 13587 | 30 | |
| 20381 | 45 |

Габаритные и присоединительные размеры мотор редуктора МР3-500:
| А | А1 | В | В1 | D | D1 | D2 | Н | Н1 |
| 330 | 640 | 465 | 740 | 720 | 780 | 840 | 825 | 400 |
| Н2 | L | L1 | L2 | L3 | L4 | L5 | d | d1 |
| 70 | 1245 | 355 | 28 | 40 | 40 | 6755 | 26 | 3 |

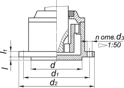
Присоединительные размеры цилиндрического вала мотор-редуктора МР3-500:
| d | d1 | d2 | l | l1 | l2 | b | t |
| 125 | 110 | 123 | 210 | 12 | 10 | 32 | 136 |

Присоединительные размеры вала в виде зубчатой полумуфты мотор редуктора МР3-500:
| d | d1 | d2 | d3 | l | l1 | n |
| по индивидуальному заказу | ||||||
Пример условного обозначения мотор-редуктора при заказе:
МР3-500-15-40-Ф2В-У3 где:
МР3 - тип мотор-редуктора;
500- габарит;
15- исполнение по комплектующему электродвигателю;
80- частота вращения выходного вала, об/мин;
Ф2- исполнение горизонтальное фланцевое;
В- цилиндрический конец выходного вала;
У3- климатическое исполнение и категория размещения.
МР3-500 планетарний мотор редуктор
Нет отзывов об этом товаре.
Нет отзывов о данном товаре, станьте первым, оставьте свой отзыв.
Нет вопросов о данном товаре, станьте первым и задайте свой вопрос.