Редуктор 1Ц2Н-450-20-11
Цилиндрический редуктор 1Ц2Н-450-20 варианта сборки 11
Цилиндрический редуктор Ц2Н-450-20-11 с двумя ступенями использует зацепление Новикова для получения требуемых значений момента кручения.
Преобразователь имеет высокий КПД и работает в большом диапазоне нагрузок при различных режимах работы. У нас вы можете заказать редуктор 1Ц2У или 1Ц2Н с круговинтовым зацеплением в вариантах сборки по ГОСТ 20373.
Вариант сборки редуктора

Условия применения
| Описание | Характеристика |
| Тип нагрузки | Постоянный, переменный |
| Направление нагрузки | Прямое, реверсивное |
| Возможность вращение валов в обоих направлениях | Поддерживается |
| Максимально допустимая частота вращения входного вала | 1800 об/мин |
| Тип атмосферы, запыленность | I и II по ГОСТ 15150-69, не более 10 мг/м3 |
| Климатическое исполнение, категория размещения | У, Т, УХЛ, О, категория размещения 1-4 в соответствии с ГОСТ 15150 |
Звоните в компанию «Промпривод», чтобы узнать больше об интересующем вас промышленном оборудовании и купить редуктор 1Ц2Н или иной другой по низкой цене. Наше предприятие занимается изготовлением высококачественного оборудования уже на протяжении более 10 лет. Мы используем услуги только квалифицированного персонала, чтобы создавать надежное и долговечное оснащение для производственных операций.
У нас вы сможете купить редукторы в Украине с гарантией и полным комплектом сопровождающей документации.
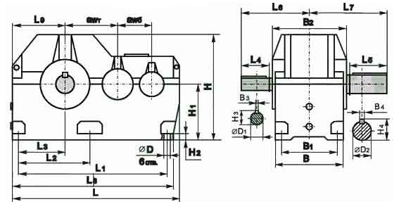
Схема габаритных и присоединительных размеров редуктора 1Ц2Н-450

| Aw т | Aw б | B | B 1 | B 2 | H | H 1 | h | L | L 1 | L 2 | L 3 | L 4 | L 5 | d |
| 450 | 280 | 630 | 515 | 590 | 955 | 475 | 50 | 1460 | 530 | 310 | 500 | 500 | 650 | 35 |
Основные технические характеристики редукторов 1Ц2Н
| Наименование технических характеристик | Типоразмер редуктора | |
| 1Ц2Н-450 | ||
| Передаточные числа | 8; 10; 12.5; 16; 20; 25; 31.5; 40; 50 | |
| Допускаемая радиальная консольная нагрузка, Н | на быстроходном валу | 8200 |
| на тихоходном цилиндрическом валу | 71000 | |
| на т/х валу в виде зубчатой муфты | 95000 | |
| Номинальный крутящий момент на выходном валу, Н.м | 40000 | |
| КПД | 0,97 | |
| Масса, кг | 1530 | |
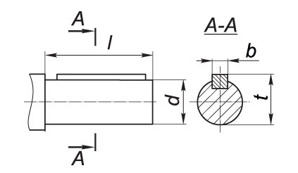
Присоединительные размеры цилиндрических валов редуктора 1Ц2Н

| Быстроходный вал | Тихоходный вал | ||||||
| d | l | b | t | d | l | b | t |
| 80m6 | 170 | 22 | 85 | 160m6 | 300 | 40 | 169 |
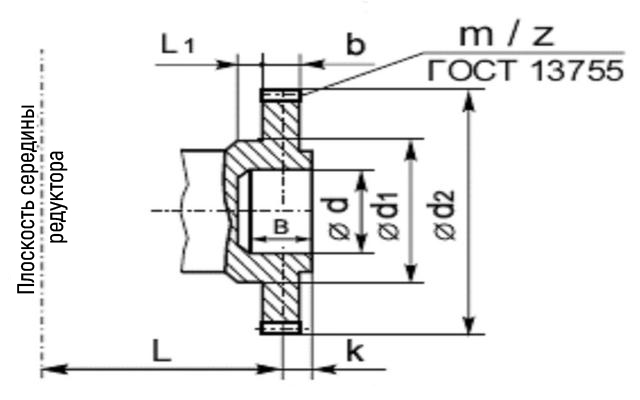
Присоединительные размеры вала редуктора 1Ц2Н, созданного в виде зубчатой полумуфты

| b | d | d 1 | d 2 | d 3 | L | l | l 1 | Зацепление | |
| m | z | ||||||||
| 50 | 420 | 200 | 160F8 | 230 | 440 | 15 | 70 | 10 | 40 |
Присоединительные размеры для струйной смазки редуктора 1Ц2Н
| Типоразмер | Необходимость струйной системы смазки при передаточных отношениях | Диаметр трубы коллектора, øg | Размеры под патрубок для отвода масла | ||||
| 1Ц2Н-450 | 8,0 40,0 | 50,0 | G1 - B | d | d1 | d2 | d3 |
| требуется струйная смазка | струйная смазка не требуется | 70 | 132 | М10-7Н | 100 | ||
Условное обозначение редуктора 1Ц2Н

Редуктор 1Ц2Н-450-20-11
Нет отзывов об этом товаре.
Нет отзывов о данном товаре, станьте первым, оставьте свой отзыв.
Нет вопросов о данном товаре, станьте первым и задайте свой вопрос.
