Редуктор 1Ц3Н-450
Редуктор 1Ц3Н-450
Горизонтальный редуктор 1Ц3Н-450 с цилиндрическим типом передачи является устройством для изменения частот вращения и крутящих моментов между параллельно расположенными валами.
1Ц3Н-400 применяется в составе механизмов общепромышленных машин. Он прост в использовании, имеет большую износостойкость и высокий КПД (приближенный к 100%). Вращение валов может производиться в любом нужном направлении. Работать редуктор может как беспрерывно, так и с паузами. Но вращение вала на входе устройства не должно быть больше, чем 1800 об/мин, а запыленность окружающей среды - не превышать 10 мг/куб.м.
Заказывая товар у нас, Вы получаете ряд преимуществ, таких как:
• высокое качество редуктора,
• паспорт к устройству,
• гарантию на 36 месяцев,
• доставку любым удобным для Вас способом по всей Украине.

Размеры редуктора 1Ц3Н-450
| Передаточное отношение | 31,5; 40; 50; 63; 80; 100; 125; 160; 200 | |
| Нагрузка на вал, Н | на быстроходный вал | 4000 |
| на тихоходный вал | 71000 | |
| на т/х вал с зубчатой муфтой | 95000 | |
| Момент кручения на тихоходном валу, Н.м | 40000 | |
| КПД | 0,96 | |
| Масса, кг | 1700 | |
Размеры редуктора с зубчатой передачей и тремя ступенями
| Aw т | Aw п | Aw б | B | B 1 | B 2 | H | H 1 | h | L | L 1 | L 2 | L 3 | L 4 | L 5 | d |
| 450 | 280 | 200 | 630 | 515 | 590 | 955 | 475 | 50 | 1580 | 570 | 310 | 500 | 430 | 650 | 35 |

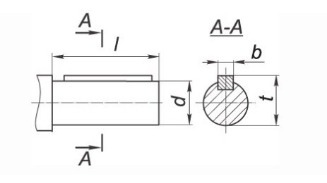
Габариты валов, которые производятся в цилиндрической форме
| Вал быстроходный | Вал тихоходный | ||||||
| d | l | b | t | d | l | b | t |
| 50k6 | 110 | 14 | 53,5 | 160m6 | 300 | 40 | 169 |

Размеры выходного вала, который сделан в виде полумуфты
| b | d | d 1 | d 2 | d 3 | L | l | l 1 | Зацепление | |
| m | z | ||||||||
| 50 | 420 | 200 | 160F8 | 230 | 440 | 15 | 70 | 10 | 40 |

Размеры для присоединения к тихоходному валу приборов управления
| b | d | d 1 | d 2 | d 3 | L |
| 5 | 180h9 | 75h9 | 55 | М8х20 | 340 |
Варианты сборки редуктора

Условное обозначение редуктора 1Ц3Н-450

Редуктор 1Ц3Н-450
Нет отзывов об этом товаре.
Нет отзывов о данном товаре, станьте первым, оставьте свой отзыв.
Нет вопросов о данном товаре, станьте первым и задайте свой вопрос.