Редуктор 1Ц3Н-500
Редуктор 1Ц3Н-500
Редуктор цилиндрический 1Ц3Н-500 - это устройство которое применяется в механизмах общепромышленных машин. Его прямой обязанностью является изменения параметров крутящего момента и частоты оборотов. При чем их значение напрямую зависит от передаточного числа редуктора.
1Ц3Н-500 прост в использовании, имеет большую износостойкость и огромный КПД. Так же данное устройство имеет ряд условий для его использования:
- работа может проходить в длительном режиме или с прерываниями,
- вращаться валы могут в любую из сторон,
- скорость вращения на входе не должна быть больше чем 1800 об/мин,
- запыленность воздуха не превышать 10 мг/м.куб,
- работа может проводится в разных климатических условиях, согласно ГОСТ 15150.
Корпус редуктора выполнен из чугуна и имеет специальное отверстие для залива смазочных материалов в сам механизм.
Данную модель редуктора можно приобрести у нас по самой низкой цене и с гарантией качества. Каждый товар проходит проверку. При заказе Вы получаете паспорт к устройству и гарантию на 12 месяцев. Доставка осуществляется в любую точку Украины в самые короткие сроки. Лдя постоянных клиентов и оптовых покупателей действует гибкая система скидок.
Схема и размеры редуктора 1Ц3Н-500

| Передаточное отношение | 31.5; 40; 50; 63; 80; 100; 125; 160; 200 | |
| Нагрузка на вал, Н | на быстроходный вал | 5000 |
| на тихоходный вал | 100000 | |
| на т/х вал с зубчатой муфтой | 140000 | |
| Момент кручения на тихоходном валу, Н.м | 56000 | |
| КПД | 0,96 | |
| Масса, кг | 2300 | |
Размеры редуктора с зубчатой передачей и тремя ступенями
| Aw т | Aw п | Aw б | B | B 1 | B 2 | H | H 1 | h | L | L 1 | L 2 | L 3 | L 4 | L 5 | d |
| 500 | 315 | 225 | 700 | 580 | 650 | 1055 | 530 | 60 | 1780 | 670 | 360 | 565 | 460 | 690 | 42 |

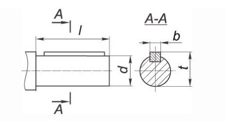
Габариты валов, которые производятся в форме цилиндра
| Вал на входе | Вал на выходе | ||||||
| d | l | b | t | d | l | b | t |
| 55m6 | 110 | 16 | 59 | 180m6 | 300 | 45 | 190 |

Размеры выходного вала, который сделан в виде полумуфты
| b | d | d 1 | d 2 | d 3 | L | l | l 1 | Зацепление | |
| m | z | ||||||||
| 50 | 420 | 200 | 160F8 | 230 | 470 | 15 | 70 | 10 | 40 |

Размеры для присоединения к тихоходному валу приборов управления
| b | d | d 1 | d 2 | d 3 | L |
| 5 | 190h9 | 75h9 | 55 | М8х20 | 360 |
Варианты сборки редуктора

Условное обозначение редуктора 1Ц3Н-500

Редуктор 1Ц3Н-500
Нет отзывов об этом товаре.
Нет отзывов о данном товаре, станьте первым, оставьте свой отзыв.
Нет вопросов о данном товаре, станьте первым и задайте свой вопрос.