Редуктор 1Ц3У-355
Редуктор 1Ц3У-355
Цилиндрический трехступенчатый редуктор 1Ц3У-355 - это устройство у которого очень большой спектр применения. Задачей данного устройства является изменение крутящего момента и его частоты.
Редуктор 1Ц3У-355 имеет параллельное расположение передач, которые при увеличении скорости, уменьшают крутящий момент и, соответственно, наоборот. Валы могут крутиться в любом из направлений. Работа этого устройства может быть как постоянная, так и с периодическими паузами.
Составляющей корпуса является чугун. Вверху корпуса располагается отверстие для заливки в него смазочных материалов.
Заказывая товар у нас, Вы получаете ряд преимуществ, таких как:
• высокое качество заказываемого товара,
• паспорт к устройству,
• гарантию на 36 месяцев,
• доставку удобным для Вас способом,
• в любой регион Украины.
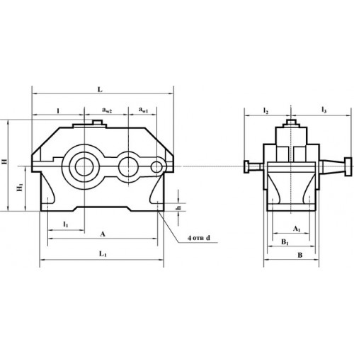
Размеры редуктора 1Ц3У-355
| Передаточное отношение | 31,5; 40; 50; 63; 80; 100; 125; 160; 200 | |
| Нагрузка на вал, Н | на быстроходный вал | 1400 |
| на тихоходный вал | 40000 | |
| на т/х вал с зубчатой муфтой | 50000 | |
| Мкр на тихоходном валу, Н.м | 14000 | |
| КПД | 0,97 | |
| Масса, кг | 760 | |
Размеры редуктора 1Ц3У-355 с зубчатой передачей и тремя ступенями
| Aw т | Aw п | Aw б | B | B 1 | B 2 | H | H 1 | h | L | L 1 | L 2 | L 3 | L 4 | L 5 | d |
| 355 | 225 | 140 | 435 | 280 | 360 | 740 | 375 | 35 | 1260 | 475 | 250 | 400 | 290 | 440 | 28 |

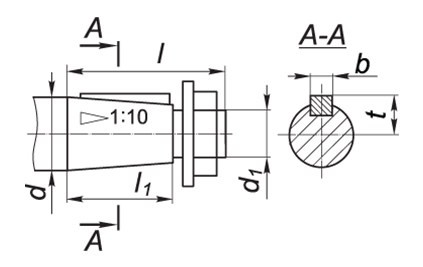
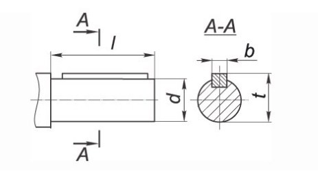
Габариты валов цилиндрического трехступенчатого горизонтального редуктора 1Ц3У-355, которые производятся в виде цилиндра
| Вал на входе | Вал на выходе | ||||||
| d | l | b | t | d | l | b | t |
| 35k6 | 80 | 10 | 38 | 125m6 | 210 | 32 | 132 |

Размеры выходного вала цилиндрического редуктора 1Ц3У-355, который выполнен в виде полумуфты
| b | d | d 1 | d 2 | d 3 | L | l | l 1 | Зацепление | |
| m | z | ||||||||
| 35 | 294 | 130 | 110F8 | 140 | 310 | 12,5 | 65 | 7 | 40 |
Размеры для присоединения к тихоходному валу приборов управления
| b | d | d 1 | d 2 | d 3 | L |
| 5 | 125h9 | 75h9 | 55 | М8х20 | 235 |
ВАРИАНТЫ СБОРКИ РЕДУКТОРА

Условное обозначение редуктора 1Ц2У-355

Редуктор 1Ц3У-355
Нет отзывов об этом товаре.
Нет отзывов о данном товаре, станьте первым, оставьте свой отзыв.
Нет вопросов о данном товаре, станьте первым и задайте свой вопрос.