Редуктор 1Ц3У-400
Редуктор 1Ц3У-400
Горизонтальный цилиндрический редуктор 1Ц3У-400 - это устройство для изменения крутящего момента, а также частоты оборотов. Имеет очень высокие показатели КПД, прост в использовании и долговечен.
Применяется редуктор в приводах разных механизмов, для передачи вращательного движения между валами, изменяя их скорость и крутящий момент.
1Ц3У-400 имеет ряд условий для его применения:
• он может работать как с остановками, так и без них,
• нагрузка на него может быть постоянной и переменной,
• его валы могут производить вращение в любом направлении,
• скорость на входной вал не должна быть более чем 1800 об/мин,
• запыленность воздуха при его эксплуатации не должна быть больше чем 10мг/м.куб,
• может работать в разных климатах, согласно ГОСТ 15150.
Корпус 1Ц3У-400 изготавливается из чугуна и имеет отверстие для заливки смазочных материалов. Отверстие находится в верхней части корпуса.
Данную модель редуктора можно приобрести у нас по самой низкой цене и с гарантией качества. Каждый товар проходит проверку. При заказе Вы получаете паспорт к устройству и гарантию на 36 месяцев. Доставка осуществляется в любую точку Украины в самые короткие сроки.

Размеры редуктора 1Ц3У-400
| Передаточное отношение | 31,5; 40; 50; 63; 80; 100; 125; 160; 200 | |
| Нагрузка на вал, Н | на быстроходный вал | 2000 |
| на тихоходный вал | 45000 | |
| на т/х вал с зубчатой муфтой | 56000 | |
| Мкр на тихоходном валу, Н.м | 20000 | |
| КПД | 0,97 | |
| Масса, кг | 960 | |
Размеры редуктора 1Ц3У-400 с зубчатой передачей и тремя ступенями
| Aw т | Aw п | Aw б | B | B 1 | B 2 | H | H 1 | h | L | L 1 | L 2 | L 3 | L 4 | L 5 | d |
| 400 | 250 | 160 | 475 | 330 | 420 | 835 | 425 | 42 | 1415 | 535 | 280 | 450 | 340 | 500 | 35 |

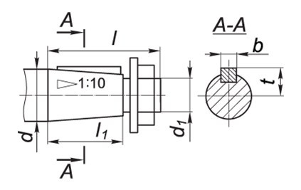
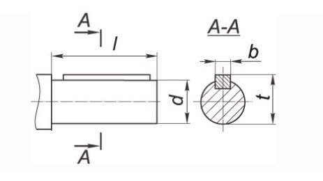
Габариты валов цилиндрического трехступенчатого горизонтального редуктора 1Ц3У-400, которые производятся в виде цилиндра
| Вал на входе | Вал на выходе | ||||||
| d | l | b | t | d | l | b | t |
| 40k6 | 110 | 12 | 43 | 140m6 | 250 | 36 | 148 |

Размеры выходного вала цилиндрического редуктора 1Ц3У-400, который выполнен в виде полумуфты
| b | d | d 1 | d 2 | d 3 | L | l | l 1 | Зацепление | |
| m | z | ||||||||
| 40 | 336 | 180 | 150F8 | 215 | 335 | 15 | 65 | 8 | 40 |

Размеры для присоединения к тихоходному валу приборов управления
| b | d | d 1 | d 2 | d 3 | L |
| 5 | 140h9 | 75h9 | 55 | М8х20 | 240 |
ВАРИАНТЫ СБОРКИ РЕДУКТОРОВ

Условное обозначение редуктора 1Ц2У-400

Редуктор 1Ц3У-400
Нет отзывов об этом товаре.
Нет отзывов о данном товаре, станьте первым, оставьте свой отзыв.
Нет вопросов о данном товаре, станьте первым и задайте свой вопрос.