Редуктор Ч-100-12.5-51
Червячный редуктор Ч-100-12.5 варианта сборки 51
Одноступенчатый редуктор Ч-100-12.5-51, собранный в указанной сборке номер 51 в полном соответствии с ГОСТ 20373-94, относится к универсальным преобразователям общего назначения.
Этот механизм может быть помещен в автоматизированную систему устройств путем сопряжения через концы входного и выходного валов. В данном редукторе валы располагаются перпендикулярно друг относительно друга и имеют два вывода.
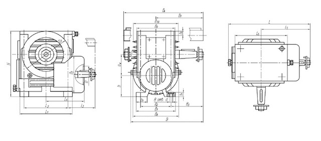
Конструкция редуктора Ч-100

Вариант сборки редуктора 51

Условия применения редуктора Ч
| Характеристика | Значение |
| Тип нагрузки | Постоянный, переменный |
| Направление движения вала | Однонаправленное или реверсивное |
| Режим работы | Постоянный или с остановками |
| Частота вращения входного вала, не более | 1800 об/мин |
| Внешняя среда | Нейтральная, неагрессивная и невзрывоопасная |
| Климатическое исполнение | У, Т для категории размещения 1-3 и УХЛ, О для категории размещения 4 |
Хотите узнать больше о преобразователе? Звоните в «Промпривод»!
Мы предоставляем подробную консультацию своим клиентам не только по вопросам приобретения, но и о нюансах использования, конструкции и установки различного промышленного оборудования. Профессиональные сотрудники компании «Промпривод» помогут вам купить редуктор Ч-100, цена на который будет варьироваться от типоразмера и размера заказа. Все возможные варианты сборки механизма вы можете увидеть у нас на сайте или уточнить по телефону.
Доставка по всей Украине проверенными транспортными компаниями-компаньонами!
Габаритные и присоединительные размеры червячного редуктора Ч

| A | B | B 1 | B 2 | B 3 | H | H 1 | H 2 | L | L 1 | L 2 | L 3 | d |
| 100 | 194 | 175 | 140 | 225 | 312 | 100 | 18 | 373 | 240 | 200 | 225 | 19 |
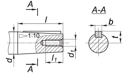
Присоединительные размеры быстроходного вала редуктора Ч

| d | d 1 | l | l 1 | b | t |
| 32 | М20х1,5 | 80 | 58 | 6 | 17,05 |
Присоединительные размеры тихоходного вала редуктора Ч

| d | d 1 | l | l 1 | l 2 | b | t | b 1 | t 1 |
| 45 | М30х2,0 | 110 | 82 | 90 | 12 | 23,45 | 14 | 48,5 |
Присоединительные размеры полых валов редуктора Ч

| d | d 1 | l | l 1 | b | t | D х m х H8 |
| 46 | 35 | 205 | 90 | 10 | 38,3 | 45 х 2,0 х Н8 |
Варианты расположения червячной пары

Пример условного обозначения

Нет отзывов об этом товаре.
Нет отзывов о данном товаре, станьте первым, оставьте свой отзыв.
Нет вопросов о данном товаре, станьте первым и задайте свой вопрос.