Редуктор Ч-80-10-53
Червячный редуктор Ч-80-10 варианта сборки 53
Механический редуктор Ч-80-10-53 - это одноступенчатый механизм, использующийся в качестве устройства, позволяющего получить необходимые момент кручения и скорость вращения.
Устанавливайте преобразователь в требуемую вам систему устройств, используя подходящую сборку. Предлагаем вам купить редуктор Ч в варианте 53.
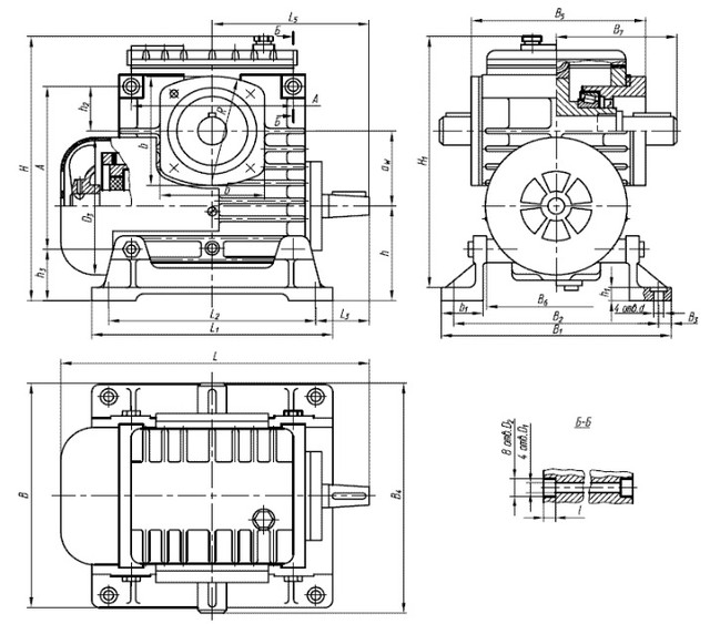
Конструкция редуктора Ч-80

Вариант сборки редуктора 53

Условия применения редуктора Ч
| Характеристика | Значение |
| Тип нагрузки | Постоянный, переменный |
| Направление движения вала | Однонаправленное или реверсивное |
| Режим работы | Постоянный или с остановками |
| Частота вращения входного вала, не более | 1800 об/мин |
| Внешняя среда | Нейтральная, неагрессивная и невзрывоопасная |
| Климатическое исполнение | У, Т для категории размещения 1-3 и УХЛ, О для категории размещения 4 |
Купить редуктор Ч-80 в Украине наиболее выгодно у отечественного производителя
В компании «Промпривод» вы всегда найдете в непосредственном наличии или под заказ червячные редукторы во всех требуемых вариантах сборки. Звоните нам в любое удобное время, оставляйте онлайн-заявки и консультируйтесь у опытных сотрудников о нюансах использования заинтересовавшего вас преобразователя.
Доставляем редукторы Ч в любой регион Украины проверенными транспортными компаниями! Множество преобразователей находится в непосредственном наличии, потому они могут быть отправлены вам в самые короткие сроки.
Габаритные и присоединительные размеры червячного редуктора Ч

| A | B | B 1 | B 2 | B 3 | H | H 1 | H 2 | L | L 1 | L 2 | L 3 | d |
| 105 | 120 | 100 | 140 | 163 | 180 | 72 | 37 | 160 | 100 | 150 | 100 | 13 |
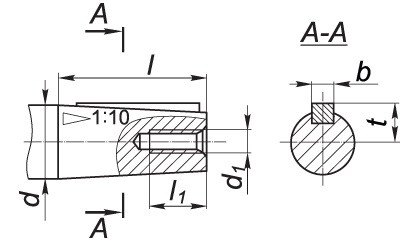
Присоединительные размеры быстроходного вала редуктора Ч

| Редуктор | d | d 1 | l | l 1 | b | t |
| Ч-80 | 25 | М8 | 42 | 20 | 5 | 13,45 |
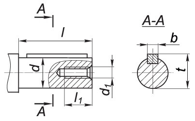
Присоединительные размеры тихоходного вала редуктора Ч

| Редуктор | d | d 1 | l | l 1 | b | t |
| Ч-80 | 35к6 | М8 | 80 | 20 | 10 | 38 |
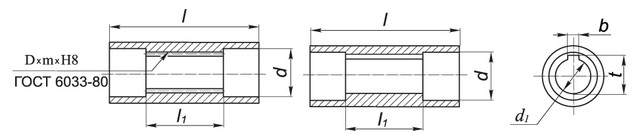
Присоединительные размеры полых валов редуктора Ч

| Редуктор | d | d 1 | l | l 1 | b | t | D х m х H8 |
| Ч-80 | 41 | 35 | 116 | 66 | 10 | 38,3 | 40 х 1,5 х H8 |
Варианты расположения червячной пары

Пример условного обозначения

Редуктор Ч-80-10-53
Нет отзывов об этом товаре.
Нет отзывов о данном товаре, станьте первым, оставьте свой отзыв.
Нет вопросов о данном товаре, станьте первым и задайте свой вопрос.