Редуктор КЦ1-250
Редуктор КЦ1-250
Данные редукторы относятся к редукторам коническо-цилиндрического двухступенчатого типа, редуктор КЦ1-250 необходим для применения его в изделиях подъемно-транспортного оборудования, а также для различных ремонтно-эксплуатационных нужд уже действующего оборудования. Агрегат призван увеличивать крутящий момент, а частоту вращения различных машин или механизмов при этом уменьшать
Механизм предполагает вращение валов в обе стороны, частота вращения входного вала при этом не должна превышать 1500 об/мин, а окружная скорость зубчатых передач должна быть не больше 12 м/с.
Мультипликатор рассчитан на то, что работать он будет непрерывно, нагрузка может быть при этом как постоянной, так и переменной, одного направления и реверсивной. Работать редуктор типа КЦ1-250 может постоянно, но с периодическими остановками.
Климатические условия для работы редуктора КЦ1-250 могут быть достаточно разнообразными, это может быть район с умеренным климатом, с тропическим (сухой и влажный).
Отметим, что значения допускаемого крутящего момента на выходном валу во всех таблицах приведены при определенных условиях - спокойная непрерывная работа редуктора КЦ1-250 в течение восьми часов в сутки. Если же условия работы изменены, необходимо ввести поправочный коэффициент. Если вести работу с другими числами оборотов входного вала, для того чтобы найти все значения параметров, необходимо использовать метод интерполяции.
Технические характеристики: редуктор КЦ1-250:
| Передаточное число | Момент кручения на выходе, Нм | Скорость вращения входного вала, об/мин | Нагрузка на валах, Н | Вес устройства, кг | |
| быстроходный | тихоходный | ||||
| 6.3 | 1150 | 1500 | 1080 | 8400 | 320 |
| 10 | 1400 | 950 | 9350 | ||
| 14 | 800 | ||||
| 20 | 1150 | 600 | 8400 | ||
| 28 | 1000 | 480 | 7900 | ||
Редуктор КЦ1-250: габаритные и присоединительные размеры

| AWT | A | A1 | B | H | H1 | h | h1 | L | L1 | L2 | L3 | L4 | d | n |
| 250 | 480 | 325 | 375 | 515 | 265 | 25 | - | 1170 | 600 | 120 | 625 | 320 | 22 | 4 |
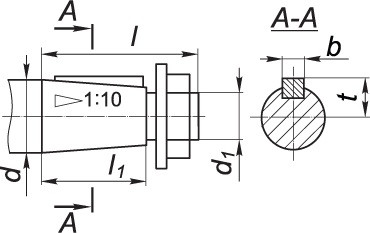
Размеры быстроходного (конического) вала редуктора КЦ1-250:

| d | d1 | l | l1 | b | t |
| 50 | М36×3 | 110 | 82 | 12 | 26 |
Размеры тихоходного (цилиндрического) вала редуктора КЦ1-250:

| d2 | l2 | b1 | t1 |
| 55 | 110 | 16 | 59 |
Размеры тихоходного вала (зубчатой полумуфты) редуктора КЦ1-250:

| b | d | d1 | L | l | l1 | Зацепление | |
| m | z | ||||||
| 25 | 150 | 90 | 267 | 14 | 48 | 3 | 48 |
Редуктор КЦ1-250 имеет 3 варианта сборки, которые показаны ниже:

Редуктор КЦ1-250 условное обозначение:
КЦ1-250-28-41Ц-У3, где:
КЦ1 - тип редуктора;
250 - межосевое расстояние, мм;
28 - номинальное передаточное число;
41 - вариант сборки;
Ц - цилиндрический конец выходного вала;
У3 - климатическое исполнение и категория размещения по ГОСТ 15150-69
Важно. Исполнение конца тихоходного вала может быть цилиндрическим - Ц или в виде части зубчатой муфты - М.
Редуктор КЦ1-250
Нет отзывов об этом товаре.
Нет отзывов о данном товаре, станьте первым, оставьте свой отзыв.
Нет вопросов о данном товаре, станьте первым и задайте свой вопрос.