Редуктор РМ-1000-12.5-12
Цилиндрический редуктор РМ-1000-12.5 варианта сборки 12
Цилиндрический редуктор РМ-1000-12.5-12 имеет общепромышленное применение. Его устанавливают практически во всех областях промышленности и производства с целью оптимизации производственных процессов.
Выпускают редукторы в различных вариантах сборки, которые описаны в отечественном стандарте ГОСТ 20373-94. Редуктор, собранный в соответствии с 12 вариантом сборки имеет два выхода, которые размещены по разные стороны корпуса.
Вариант сборки редуктора

Условия применения
| Описание | Характеристика |
| Тип нагрузки | Постоянный, переменный, одного направления, ревервивный |
| Режимы работы | Длительный или с переменными остановками |
| Вращение валов | В любую сторону |
| Максимально допустимая частота вращения входного вала | 1500 об/мин |
| Температура внешней среды | От -40 до +50 градусов Цельсия |
| Климатическое исполнение, категория размещения | У и Т, категория размещения I-IV в соответствии с ГОСТ 15150-69 |
| Работа в условиях повышенной запыленности | Допускается |
Компания «Промпривод» предоставляет возможность приобрести редукторы РМ, цена которых ниже рыночной, созданных в соответствии с вариантами сборки, которые указаны в отечественном стандарте ГОСТ 20373-94. Редукторы изготавливаются на современном оборудовании с задействованием передовых технологий. Мы всегда высылаем заказы в оговоренные сроки, предоставляем гарантию на все товары и побробную консультацию относительно наших изделий.
В комплекте с устройствами вы получаете полный пакет сертифицирующих документов, подтверждающих качество изделия. Доставка возможна по всей территории Украины.
Технические характеристики редуктора РМ-1000-12.5
| Передаточное число, u | Фактическое передаточное число, u1 | КПД, % | Масса редуктора, кг | AwС | AwT | AwБ | Объем заливаемого масла, л |
| 12.5 | 12.64 | 98 | 2122 | 1000 | 600 | 400 | 55 |
| Частота вращения входного вала, об/мин | Допускаемый крутящий момент на выходном валу при работе редуктора в повторно-кратковременных режимах, Н*м для передаточных чисел | Допускаемая радиальная консольная нагрузка, приложенная в середине посадочной части, Н | ||
| 12.5 | Входной (быстроходный) вал | Выходной (тихоходный) | Выходной | |
| 600 | 139200 | 13000 | 176000 | 199000 |
| 750 | 126500 | 12000 | 164000 | 184300 |
| 1000 | - | 10500 | 150000 | 168200 |
| 1250 | - | 10000 | 134000 | 157000 |
| 1500 | - | 9100 | 128000 | 154000 |
Габаритные и присоединительные размеры редуктора РМ-1000

| L | L1 | L2 | L3 | L4 | L5 | B | B1 | B2 | B3 | H | H1 | H2 | H3 | d | n |
| 1896 | 1350 | 1050 | 350 | 695.5 | 550 | 660 | 660 | 590 | 472 | 965 | 400 | 200 | 40 | 32 | 8 |
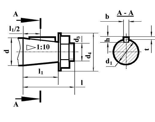
Размеры конических концов входных и выходных валов редуктора РМ

| Редуктор | Вал | d1 | d2 | d3 | d4 | l | l1 | b | h | t |
| РМ-1000 | входной | 90 | 83.50 | М64х4 | 130 | 170 | 130 | 22 | 14 | 5 |
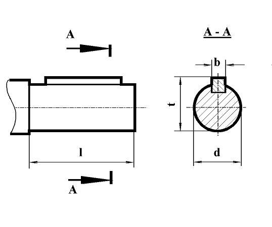
Размеры цилиндрических концов входных и выходных валов редуктора РМ

| Редуктор | Вал | d2 | d1 | l | l1 | b | h | t |
| РМ-1000 | выходной | 150 m 6 | 170 | 695.5 | 200 | 36 | 162 | - |
Присоединительные размеры тихоходного вала в виде зубчатой полумуфты редуктора РМ

| Редуктор | Вал | m | z | b | L | L1 | k | B | d | d1 |
| РМ-1000 | выходной | 10 8 | 48 54 | 60 50 | 70 | 76 72 | 50 40 | 85 78 | 200 f 7 190 f 7 | 280 f 9 260 f 9 |
Условные обозначения редуктора РМ-1000

Нет отзывов об этом товаре.
Нет отзывов о данном товаре, станьте первым, оставьте свой отзыв.
Нет вопросов о данном товаре, станьте первым и задайте свой вопрос.