Редуктор РМ-1000-12.5-21
Цилиндрический редуктор РМ-1000-12.5 варианта сборки 21
Редуктор РМ-1000-12.5-21 – является преобразователем универсального типа с цилиндрической передачей и двумя ступенями, которые позволяют создавать оптимальные условия для работы приводов с высокой нагружной способностью.
Данный типоразмер имеет два выхода концов параллельных валов, расположение которых охарактеризовано как неколлинеарное. Во время заказа устройства необходимо уточнить вариант сборки, так как вы можете купить редуктор РМ-1000-12.5 и в других вариантах сборки.
Вариант сборки редуктора

Условия применения
| Описание | Характеристика |
| Тип нагрузки | Постоянный, переменный, одного направления, ревервивный |
| Режимы работы | Длительный или с переменными остановками |
| Вращение валов | В любую сторону |
| Максимально допустимая частота вращения входного вала | 1500 об/мин |
| Температура внешней среды | От -40 до +50 градусов Цельсия |
| Климатическое исполнение, категория размещения | У и Т, категория размещения I-IV в соответствии с ГОСТ 15150-69 |
| Работа в условиях повышенной запыленности | Допускается |
Компания «Промпривод» предоставляет возможность приобрести редукторы РМ, цена которых ниже рыночной, созданных в соответствии с вариантами сборки, которые указаны в отечественном стандарте ГОСТ 20373-94. Редукторы изготавливаются на современном оборудовании с задействованием передовых технологий. Мы всегда высылаем заказы в оговоренные сроки, предоставляем гарантию на все товары и подробную консультацию относительно наших изделий.
В комплекте с устройствами вы получаете полный пакет сертифицирующих документов, подтверждающих качество изделия. Доставка возможна по всей территории Украины.
Технические характеристики редуктора РМ-1000-12.5
| Передаточное число, u | Фактическое передаточное число, u1 | КПД, % | Масса редуктора, кг | AwС | AwT | AwБ | Объем заливаемого масла, л |
| 12.5 | 12.64 | 98 | 2122 | 1000 | 600 | 400 | 55 |
| Частота вращения входного вала, об/мин | Допускаемый крутящий момент на выходном валу при работе редуктора в повторно-кратковременных режимах, Н*м для передаточных чисел | Допускаемая радиальная консольная нагрузка, приложенная в середине посадочной части, Н | ||
| 12.5 | Входной (быстроходный) вал | Выходной (тихоходный) | Выходной | |
| 600 | 139200 | 13000 | 176000 | 199000 |
| 750 | 126500 | 12000 | 164000 | 184300 |
| 1000 | - | 10500 | 150000 | 168200 |
| 1250 | - | 10000 | 134000 | 157000 |
| 1500 | - | 9100 | 128000 | 154000 |
Габаритные и присоединительные размеры редуктора РМ-1000

| L | L1 | L2 | L3 | L4 | L5 | B | B1 | B2 | B3 | H | H1 | H2 | H3 | d | n |
| 1896 | 1350 | 1050 | 350 | 695.5 | 550 | 660 | 660 | 590 | 472 | 965 | 400 | 200 | 40 | 32 | 8 |
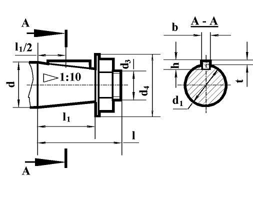
Размеры конических концов входных и выходных валов редуктора РМ

| Редуктор | Вал | d1 | d2 | d3 | d4 | l | l1 | b | h | t |
| РМ-1000 | входной | 90 | 83.50 | М64х4 | 130 | 170 | 130 | 22 | 14 | 5 |
Размеры цилиндрических концов входных и выходных валов редуктора РМ

| Редуктор | Вал | d2 | d1 | l | l1 | b | h | t |
| РМ-1000 | выходной | 150 m 6 | 170 | 695.5 | 200 | 36 | 162 | - |
Присоединительные размеры тихоходного вала в виде зубчатой полумуфты редуктора РМ

| Редуктор | Вал | m | z | b | L | L1 | k | B | d | d1 |
| РМ-1000 | выходной | 10 8 | 48 54 | 60 50 | 70 | 76 72 | 50 40 | 85 78 | 200 f 7 190 f 7 | 280 f 9 260 f 9 |
Условные обозначения редуктора РМ-1000

Нет отзывов об этом товаре.
Нет отзывов о данном товаре, станьте первым, оставьте свой отзыв.
Нет вопросов о данном товаре, станьте первым и задайте свой вопрос.