Редуктор РМ-350-50-11
Цилиндрический редуктор РМ-350-50 варианта сборки 11
Промышленный двухступенчатый редуктор РМ-350-50-11 является устройством цилиндрического типа, который предназначен для преобразования механических величин и передачи мощности следующему звену.
Такое устройство имеет горизонтальное исполнение, валы располагаются параллельно. Концы валов выходят на одну сторону чугунного литого корпуса.
Вариант сборки редуктора

Условия применения
| Описание | Характеристика |
| Тип нагрузки | Постоянный, переменный, одного направления, ревервивный |
| Режимы работы | Длительный или с переменными остановками |
| Вращение валов | В любую сторону |
| Максимально допустимая частота вращения входного вала | 1500 об/мин |
| Температура внешней среды | От -40 до +50 градусов Цельсия |
| Климатическое исполнение, категория размещения | У и Т, категория размещения I-IV в соответствии с ГОСТ 15150-69 |
| Работа в условиях повышенной запыленности | Допускается |
Купить редуктор РМ, цена которого вполне приемлема, вы можете на сайте компании «Промпривод». Мы выпускаем редукторы различных вариантов сборок, что существенно облегчит вам поиск необходимого монтажного варианта. Также позвонив по телефону, указанному на сайте, вы получаете высококвалифицированную помощь при выборе преобразователя. Наши специалисты предоставят вам все необходимую информацию и помогут в оформлении заказа.
Мы продаем качественные преобразователи с гарантией и всеми сертифицирующими документами, а также осуществляем быструю доставку в любой населенный пункт Украины.
Технические характеристики редуктора РМ-350-50
| Передаточное число, u | Фактическое передаточное число, u1 | КПД, % | Масса редуктора, кг | AwС | AwT | AwБ | Объем заливаемого масла, л |
| 50 | 48.57 | 98 | 145 | 350 | 200 | 150 | 3.3 |
| Частота вращения входного вала, об/мин | Допускаемый крутящий момент на выходном валу при работе редуктора в повторно-кратковременных режимах, Н*м для передаточных чисел | Допускаемая радиальная консольная нагрузка, приложенная в середине посадочной части, Н | ||
| 50.0 | Входной (быстроходный) вал | Выходной (тихоходный) | Выходной | |
| 600 | 8000 | 3800 | 24000 | 18400 |
| 750 | 8000 | 3500 | 22500 | 16900 |
| 1000 | 7900 | 3100 | 20000 | 16000 |
| 1250 | 7800 | 2900 | 18500 | 14000 |
| 1500 | 7700 | 2900 | 17500 | 13700 |
Габаритные и присоединительные размеры редуктора РМ-350

| Aw | Aw2 | L | L1 | L2 | I | I1 | I2 | I3 | I4 |
| 350 | 200 | 710 | 260 | 269 | 415 | 310 | 45 | 60 | 238 |
| I5 | B | B1 | B2 | H | H1 | h | d | масса, кг | |
| 280 | 270 | 250 | 290 | 400 | 200 | 23 | 17 | 145 | |
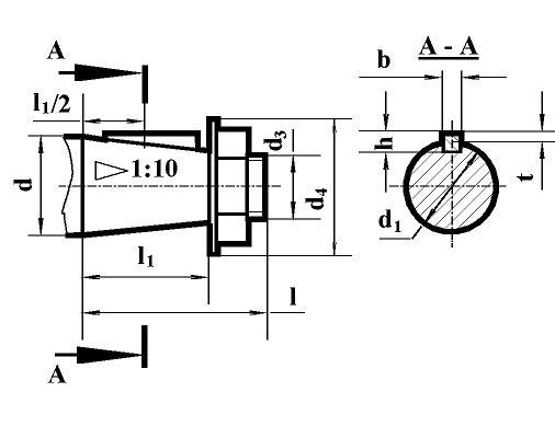
Размеры конических концов входных и выходных валов редуктора РМ

| Редуктор | Вал | d1 | d2 | d3 | d4 | l | l1 | b | h | t |
| РМ-350 | входной | 40 | 35.9 | М24х2 | 63 | 110 | 82 | 10 | 8 | 3 |
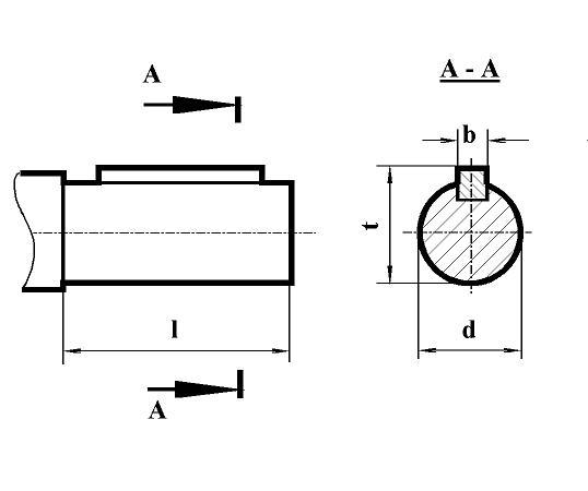
Размеры цилиндрических концов входных и выходных валов редуктора РМ

| Редуктор | Вал | d2 | d1 | l | l1 | b | h | t |
| РМ-350 | выходной | 55 m 6 | 65 | 268.5 | 82 | 16 | 60 | - |
Присоединительные размеры тихоходного вала в виде зубчатой полумуфты редуктора РМ-350

| Редуктора | Вал | m | z | b | L | L1 | k | B | d | d1 |
| РМ-350 | выходной | 3 | 48 | 25 | 54.5 | 41 | 24.5 | 45 | 90 f 7 | 110 f 9 |
Условные обозначения редуктора РМ-350-50

Редуктор РМ-350-50-11
Нет отзывов об этом товаре.
Нет отзывов о данном товаре, станьте первым, оставьте свой отзыв.
Нет вопросов о данном товаре, станьте первым и задайте свой вопрос.