Редуктор РМ-400-12.5-12
Цилиндрический редуктор РМ-400-12.5 варианта сборки 12
Цилиндрические редукторы РМ-400-12.5-12 пользуются большой популярностью, так как обладают высокой производительностью и длительным бесперебойным сроком службы. Задача устройства заключается в изменение, поступающих на него величин, что приводит к оптимизации производственных процессов.
Все детали агрегата, которые участвуют в цилиндрическом зацеплении, изготавливают из качественных износостойких материалов. Редуктор рассчитан для подключения только одного привода исполнительного механизма и двигателя. Выходы валов расположены на разных сторонах корпуса.
Вариант сборки редуктора

Условия применения
| Описание | Характеристика |
| Тип нагрузки | Постоянный, переменный, одного направления, ревервивный |
| Режимы работы | Длительный или с переменными остановками |
| Вращение валов | В любую сторону |
| Максимально допустимая частота вращения входного вала | 1500 об/мин |
| Температура внешней среды | От -40 до +50 градусов Цельсия |
| Климатическое исполнение, категория размещения | У и Т, категория размещения I-IV в соответствии с ГОСТ 15150-69 |
| Работа в условиях повышенной запыленности | Допускается |
Купить редуктор РМ, цена которого вполне приемлема, вы можете на сайте компании «Промпривод». Мы выпускаем редукторы различных вариантов сборок, что существенно облегчит вам поиск необходимого монтажного варианта. Также позвонив по телефону, указанному на сайте, вы получаете высококвалифицированную помощь при выборе преобразователя. Наши специалисты предоставят вам всю необходимую информацию и помогут в оформлении заказа.
Мы продаем, качественные преобразователи с гарантией и всеми сертифицирующими документами, а также осуществляем быструю доставку в любой населенный пункт Украины.
Технические характеристики редуктора РМ-400-12.5
| Передаточное число, u | Фактическое передаточное число, u1 | КПД, % | Масса редуктора, кг | AwС | AwT | AwБ | Объем заливаемого масла, л |
| 12.5 | 12.64 | 98 | 210 | 400 | 250 | 150 | 5.5 |
| Частота вращения входного вала, об/мин | Допускаемый крутящий момент на выходном валу при работе редуктора в повторно-кратковременных режимах, Н*м для передаточных чисел | Допускаемая радиальная консольная нагрузка, приложенная в середине посадочной части, Н | ||
| 12.5 | Входной (быстроходный) вал | Выходной (тихоходный) | Выходной (тихоходный) вал в виде зубчатой полумуфты | |
| 600 | 9900 | 3300 | 27000 | 24900 |
| 750 | 9450 | 3000 | 25500 | 23600 |
| 1000 | 8680 | 2700 | 22500 | 21650 |
| 1250 | 8050 | 2500 | 22000 | 20250 |
| 1500 | 7550 | 2300 | 21000 | 20100 |
Габаритные и присоединительные размеры редуктора РМ-400

| L | L1 | L2 | L3 | L4 | L5 | B | B1 | B2 | H | H1 | H2 | H3 | d | n |
| 816 | 440 | 370 | - | 325.5 | 270 | 300 | 310 | 270 | 490 | 250 | - | 25 | 17 | 4 |
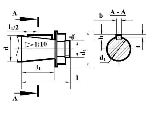
Размеры конических концов входных и выходных валов редуктора РМ

| Редуктор | Вал | d1 | d2 | d3 | d4 | l | l1 | b | h | t |
| РМ-400 | входной | 40 | 35.9 | М24х2 | 63 | 110 | 82 | 12 | 8 | 3 |
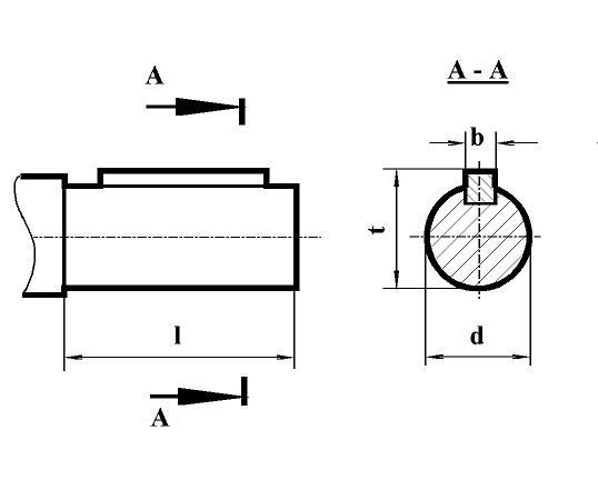
Размеры цилиндрических концов входных и выходных валов редуктора РМ

| Редуктор | Вал | d2 | d1 | l | l1 | b | h | t |
| РМ-400 | выходной | 80 m 6 | 90 | 325.5 | 123 | 22 | 88 | - |
Присоединительные размеры тихоходного вала в виде зубчатой полумуфты редуктора РМ

| Редуктор | Вал | m | z | b | L | L1 | k | B | d | d1 |
| РМ-400 | выходной | 3 | 56 | 25 | 57.5 | 41 | 26.5 | 45 | 90 f 7 | 135 f 9 |
Условные обозначения редуктора РМ-400-12.5

Нет отзывов об этом товаре.
Нет отзывов о данном товаре, станьте первым, оставьте свой отзыв.
Нет вопросов о данном товаре, станьте первым и задайте свой вопрос.