Редуктор РМ-650-12.5-11
Цилиндрический редуктор РМ-650-12.5 варианта сборки 11
Редуктор РМ-650-12.5-11 применяют во многих промышленных и производственных областях, а также в строительстве для обеспечения оптимальных показателей крутящего момента и частоты вращения валов. Данные устройства имеют следующие особенности:
- Для работы редуктора используется цилиндрический тип передачи.
- Также устройство имеет две ступени, которые позволяют оптимизировать поступающие на него величины.
- Монтируют агрегат в горизонтальном положении и закрепляют при помощи болтового соединения.
- Выходы тихоходного и быстроходного вала находятся на одной стороне устройства в горизонтальной плоскости.
Вариант сборки редуктора

Условия применения
| Описание | Характеристика |
| Тип нагрузки | Постоянный, переменный, одного направления, ревервивный |
| Режимы работы | Длительный или с переменными остановками |
| Вращение валов | В любую сторону |
| Максимально допустимая частота вращения входного вала | 1500 об/мин |
| Температура внешней среды | От -40 до +50 градусов Цельсия |
| Климатическое исполнение, категория размещения | У и Т, категория размещения I-IV в соответствии с ГОСТ 15150-69 |
| Работа в условиях повышенной запыленности | Допускается |
Компания «Промпривод» предоставляет возможность приобрести редукторы РМ, цена которых ниже рыночной, созданных в соответствии с вариантами сборки, которые указаны в отечественном стандарте ГОСТ 20373-94. Редукторы изготавливаются на современном оборудовании с задействованием передовых технологий. Мы всегда высылаем заказы в оговоренные сроки, предоставляем гарантию на все товары и подробную консультацию относительно наших изделий.
В комплекте с устройствами вы получаете полный пакет сертифицирующих документов, подтверждающих качество изделия. Доставка возможна по всей территории Украины.
Технические характеристики редуктора РМ-650-12.5
| Передаточное число, u | Фактическое передаточное число, u1 | КПД, % | Масса редуктора, кг | AwС | AwT | AwБ | Объем заливаемого масла, л |
| 12.5 | 12.64 | 98 | 878 | 650 | 400 | 250 | 22 |
| Частота вращения входного вала, об/мин | Допускаемый крутящий момент на выходном валу при работе редуктора в повторно-кратковременных режимах, Н*м для передаточных чисел | Допускаемая радиальная консольная нагрузка, приложенная в середине посадочной части, Н | ||
| 12.5 | Входной (быстроходный) вал | Выходной (тихоходный) | Выходной (тихоходный) | |
| 600 | 40200 | 4500 | 114000 | 113000 |
| 750 | 37300 | 4300 | 110000 | 106300 |
| 1000 | 33300 | 3800 | 96000 | 97600 |
| 1250 | 30000 | 3350 | 90500 | 91000 |
| 1500 | - | 3100 | 86500 | 89000 |
Габаритные и присоединительные размеры редуктора РМ-650

| L | L1 | L2 | L3 | L4 | L5 | B | B1 | B2 | B3 | H | H1 | H2 | H3 | d | n |
| 1278 | 830 | 645 | 215 | 430 | 430 | 470 | 470 | 410 | 318 | 697 | 320 | 95 | 35 | 25 | 8 |
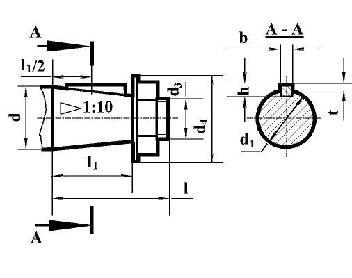
Размеры конических концов входных и выходных валов редуктора РМ

| Редуктор | Вал | d1 | d2 | d3 | d4 | l | l1 | b | h | t |
| РМ-650 | входной | 60 | 54.75 | М42х3 | 94 | 140 | 105 | 16 | 10 | 4 |
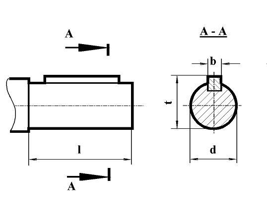
Размеры цилиндрических концов входных и выходных валов редуктора РМ

| Редуктор | Вал | d2 | d1 | l | l1 | b | h | t |
| РМ-650 | выходной | 110 m 6 125 m 6 | 130 145 | 430 | 165 165 | 28 32 | 120 136 | - |
Присоединительные размеры тихоходного вала в виде зубчатой полумуфты редуктора РМ

| Редуктор | Вал | m | z | b | L | L1 | k | B | d | d1 |
| РМ-650 | выходной | 6 | 56 | 40 | 75 | 56 | 32 | 68 | 170 f 7 | 260 f 9 |
Условные обозначения редуктора РМ-650

Нет отзывов об этом товаре.
Нет отзывов о данном товаре, станьте первым, оставьте свой отзыв.
Нет вопросов о данном товаре, станьте первым и задайте свой вопрос.