Цилиндрические редукторы 1Ц2У сборки 33
Редукторы типа 1Ц2У сборки 33
Промышленные преобразователи, имеющие цилиндрический вариант зацепления зубчатых передач, относятся к серии 1Ц2У и могут быть собраны в варианте сборки 33. Он описан в ГОСТ 20373-94 и имеет следующие особенности:
- Два выхода тихоходного вала дают возможность подключения сразу нескольких исполнительных механизмов. Таким образом, одним преобразователем можно привести в работу сразу два агрегата.
- Также имеют два выхода быстроходного вала для осуществления равномерной нагрузки.
Осуществить рациональную покупку и подобрать наиболее подходящий промышленный редуктор вам помогут компетентные менеджеры компании «Промпривод». Чтобы купить редуктор смело звоните по телефонам, указанным на сайте, и приобретайте высококачественное производственное оборудование по минимальной стоимости! Для постоянных клиентов и оптовых покупателей действует гибкая система скидок. Гарантия качества на оборудование 12 месяцев с момента приобретения.
Условное обозначение варианта сборки 33

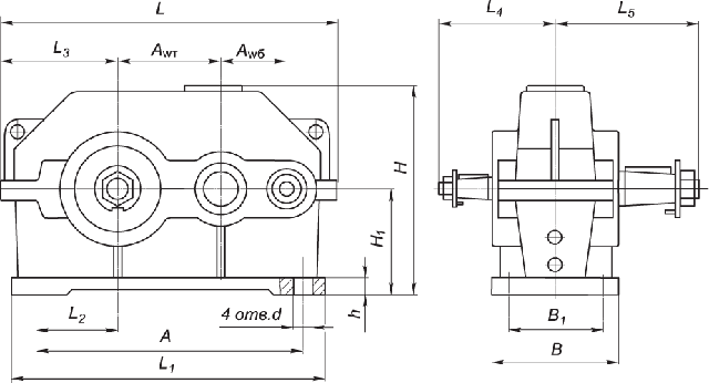
Конструкция редуктора 1Ц2У

Основные технические характеристики
| Наименование технических характеристик | Типоразмер редуктора | |||||
| 1Ц2У-100 | 1Ц2У-125 | 1Ц2У-160 | 1Ц2У-200 | 1Ц2У-250 | ||
| Передаточные числа | 8; 10; 12,5; 16; 20; 25; 31,5; 40 | |||||
| Допускаемая радиальная консольная | на быстроходном валу | 500 | 750 | 1000 | 2240 | 3150 |
| на тихоходном валу | 4500 | 6300 | 9000 | 12500 | 18000 | |
| Номинальный крутящий моментна тихоходном валу, Н.м | 315 | 630 | 1250 | 2500 | 5000 | |
| КПД | 0,97 | |||||
| Масса, кг | 20 | 32 | 95 | 170 | 320 | |
Пример условного обозначения
1Ц2У-100-25-33-У3:
1Ц2У - тип редуктора;
100 - межосевое расстояние;
25 - передаточное число;
33 - вариант сборки;
У3 - климатическое исполнение.
Циліндричні редуктори 1Ц2У складання 33
Нет отзывов об этом товаре.
Нет отзывов о данном товаре, станьте первым, оставьте свой отзыв.
Нет вопросов о данном товаре, станьте первым и задайте свой вопрос.