Цилиндрические редукторы 1ЦУ сборки 33
Редукторы типа 1ЦУ сборки 33
Одноступенчатые промышленные редукторы с цилиндрическим типом передачи 1ЦУ используются в качестве преобразовательного механизма, позволяющего получить необходимые для работы системы значения момента кручения и частоты вращения.
Они могут быть задействованы для приведения в движения сразу нескольких исполнительных механизмов, что соответствует варианту сборки 33. Он также предполагает возможность подключения сразу двух электрических двигателей для лучшего распределения нагрузки и повышения безопасности работы.
Осуществить рациональную покупку и подобрать наиболее подходящий промышленный редуктор вам помогут компетентные менеджеры компании «Промпривод». Чтобы купить редуктор смело звоните по телефонам, указанным на сайте, и приобретайте высококачественное производственное оборудование по минимальной стоимости! Для постоянных клиентов и оптовых покупателей действует гибкая система скидок. Гарантия качества на оборудование 12 месяцев с момента приобретения.
Условное обозначение варианта сборки 33

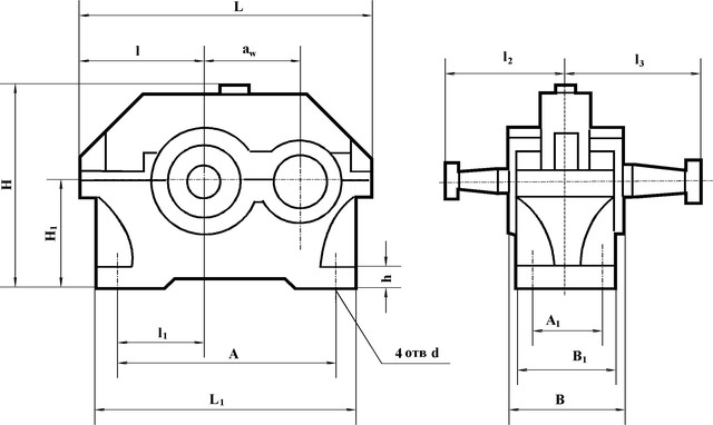
Конструкция редуктора 1ЦУ

Технические параметры редукторов 1ЦУ
| Тип | aw | L | L1 | B | H | h | l | l1 | l2 | l3 | H1 | A | A1 | B1 | d |
| не более | |||||||||||||||
| 1ЦУ-100 | 100 | 315 | 265 | 140 | 224 | 22 | 132 | 85 | 136 | 155 | 112 | 224 | 95 | 132 | 15 |
| 1ЦУ-160 | 160 | 475 | 412 | 185 | 335 | 28 | 195 | 136 | 218 | 218 | 170 | 355 | 125 | 175 | 24 |
| 1ЦУ-200 | 200 | 580 | 500 | 212 | 425 | 36 | 236 | 165 | 230 | 265 | 212 | 437 | 136 | 200 | 24 |
| 1ЦУ-250 | 250 | 710 | 615 | 265 | 530 | 40 | 290 | 212 | 280 | 315 | 265 | 545 | 185 | 250 | 28 |
Пример условного обозначения редуктора
1ЦУ - 100 - 4 - 33 - У3:
1ЦУ - тип преобразователя;
100 - суммарное межосевое расстояние;
4 - передаточное число;
33 - вариант сборки;
У3 - климатическое исполнение.
Циліндричні редуктори 1ЦУ складання 33
Нет отзывов об этом товаре.
Нет отзывов о данном товаре, станьте первым, оставьте свой отзыв.
Нет вопросов о данном товаре, станьте первым и задайте свой вопрос.