Цилиндрические редукторы Ц2У сборки 33
Редукторы типа Ц2У сборки 33
Двухступенчатые промышленные редукторы серии Ц2У относятся к механизмам преобразования поступающих на них величин в необходимые для максимально продуктивной работы всего привода.
Редукторы данного типа могут использоваться сразу для работы нескольких механизмов и приводиться в движение двумя электрическими двигателями. Такой способ работы соответствует варианту сборки редукторов 33, найти описание которого можно в ГОСТ 20373-94.
Осуществить рациональную покупку и подобрать наиболее подходящий промышленный редуктор вам помогут компетентные менеджеры компании «Промпривод». Чтобы купить редуктор смело звоните по телефонам, указанным на сайте, и приобретайте высококачественное производственное оборудование по минимальной стоимости! Для постоянных клиентов и оптовых покупателей действует гибкая система скидок. Гарантия качества на оборудование 12 месяцев с момента приобретения.
Условное обозначение варианта сборки 33

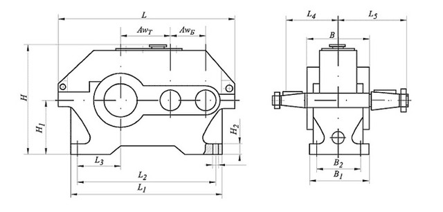
Конструкция редуктора Ц2У

Основные технические характеристики
| Наименование технических характеристик | Типоразмер редуктора | |||||
| Ц2У-100 | Ц2У-125 | Ц2У-160 | Ц2У-200 | Ц2У-250 | ||
| Передаточные числа | 8; 10; 12,5; 16; 20; 25; 31,5; 40 | |||||
| Допускаемая радиальная консольная | на быстроходномвалу | 500 | 750 | 1000 | 2240 | 3150 |
| на тихоходномвалу | 4500 | 6300 | 9000 | 12500 | 18000 | |
| Номинальный крутящий моментна тихоходном валу, Н.м | 315 | 630 | 1250 | 2500 | 5000 | |
| КПД | 0,97 | |||||
| Масса, кг | 20 | 32 | 95 | 170 | 320 | |
Условное обозначение редуктора
Ц2У-250-31,5-33-У3:
Ц2У – тип редуктора;
250 – межосевое расстояние тихоходной ступени, мм;
31,5 – передаточное число;
33 – схема сборки;
У3 – климатическое исполнение и категория размещения по ГОСТ 15150-69.
Циліндричні редуктори Ц2У складання 33
Нет отзывов об этом товаре.
Нет отзывов о данном товаре, станьте первым, оставьте свой отзыв.
Нет вопросов о данном товаре, станьте первым и задайте свой вопрос.