Шевронний редуктор А-700-4
Спеціальний редуктор А-700-4 одноступеневий шевронний
Одноступеневі редуктори А-700-4 є шевронними циліндричними пристроями, що сприяють отриманню необхідних систем значень моменту клювання і швидкості обертання. Редуктор цього типу здатний працювати з плавним ходом і зниженим виділенням шуму, його габарити зменшені, порівнюючи з перетворювачами з аналогічними параметрами та потужністю.
Ще однією перевагою механізму є практично повна відсутність нагрівання. Це сприяє роботі з високим ККД.
У високій ефективності перетворювачів від компанії «Промпривод» переконалися вже багато клієнтів по всій Україні. Наші досвідчені консультанти допоможуть вам вибрати потрібний пристрій і швидко оформлять заявку. Відсилання вантажів здійснюється всією країнами на день оплати товару. Телефонуйте нам, щоб вигідно купити редуктори А-700 за низькою ціною з гарантією та повним комплектом документів.
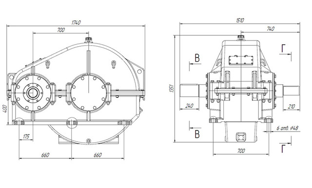
Основні установлювальні та габаритні розміри редуктора А-700

Розміри вхідного та вихідного вала редуктора А-700

Основні параметри редуктора А-700
| Найменування параметрів | Значення |
| Тип передавання | Циліндричний |
| Кількість щаблів | Одноступеневий |
| Розташування осей | Паралельне |
| Передавальне відношення | 4 |
| Номінальний крутний момент, Н·м | 13000 |
| Сумарна міжосьова відстань, мм | 700 |
| Маса, кг | 3400 |
| Максимальна швидкість обертання швидкохідного вала, об/хв | 1000 |
| Вихідний контур передавання | ГОСТ 13755-81 |
| Номінальна частота обертання вихідного вала, об/хв | 750 |
| Номінальне радіальне консольне навантаження, прикладено в середині посадкової частини, швидкохідного вала, Н | 6700 |
| Номінальне радіальне консольне навантаження, прикладено в середині посадкової частини, тихохідного вала, Н | 28500 |
| ККД | 98% |
| Коригований рівень звукової потужності, дБА | 113 |
Шевронне зубчасте зачеплення

Пример условного обозначения редуктора А-700

Шевронный редуктор А-700-4
Відгуків про цей товар ще не було.
Немає відгуків про цей товар, станьте першим, залиште свій відгук.
Немає питань про даний товар, станьте першим і задайте своє питання.