Шевронний редуктор А-700-5
Спеціальний редуктор А-400-5 одноступеневий шевронний
Циліндричні одноступеневі редуктори А700-5 спеціального призначення мають головну особливість, що відрізняється їх від аналогічних механізмів — шевронне зачеплення. Пристрої шевронного типу здатні працювати з високими навантаженнями, практично не виділяючи тепла, а отже, маючи високий ККД. Редуктори типу А-700 експлуатуються в приводах млинів, що встановлюються в металургійній промисловості.
У високій ефективності перетворювачів від компанії «Промпривод» переконалися вже багато клієнтів по всій Україні. Наші досвідчені консультанти допоможуть вам вибрати потрібний пристрій і швидко оформлять заявку. Відсилання вантажів здійснюється всією країнами на день оплати товару. Телефонуйте нам, щоб вигідно купити редуктори А-700 за низькою ціною з гарантією та повним комплектом документів.
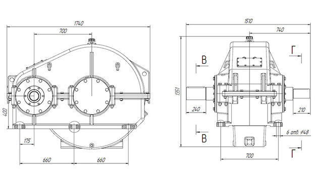
Основні установлювальні та габаритні розміри редуктора А-700

Розміри вхідного та вихідного вала редуктора А-700

Основні параметри редуктора А-700
| Найменування параметрів | Значення |
| Тип передавання | Циліндричний |
| Кількість щаблів | Одноступеневий |
| Розташування осей | Паралельне |
| Передавальне відношення | 5 |
| Номінальний крутний момент, Н·м | 13000 |
| Сумарна міжосьова відстань, мм | 700 |
| Маса, кг | 3400 |
| Максимальна швидкість обертання швидкохідного вала, об/хв | 1000 |
| Вихідний контур передавання | ГОСТ 13755-81 |
| Номінальна частота обертання вихідного вала, об/хв | 750 |
| Номінальне радіальне консольне навантаження, прикладено в середині посадкової частини, швидкохідного вала, Н | 6700 |
| Номінальне радіальне консольне навантаження, прикладено в середині посадкової частини, тихохідного вала, Н | 28500 |
| ККД | 98% |
| Коригований рівень звукової потужності, дБА | 113 |
Шевронне зубчасте зачеплення

Пример условного обозначения редуктора А-700

Шевронный редуктор А-700-5
Відгуків про цей товар ще не було.
Немає відгуків про цей товар, станьте першим, залиште свій відгук.
Немає питань про даний товар, станьте першим і задайте своє питання.