Триступеневий редуктор КЦ2-750
Коніческоциліндричний редуктор КЦ2-750
Триступеневі кініко-циліндричні редуктори КЦ2-750 — це механізми, які використовуються для перетворення та передавання крутного моменту, обладнується однією або декількома механічними передачами. Корпус цього різновиду редукторів виготовляється з чавуну, а вали з конструкційної вуглецевої сталі.
Конструкція редуктора КЦ2-750
Габаритні та приєднувальні розміри
| Awт | Awп | A | A1 | B | H | H1 | h | h1 | L | L1 | L2 | L3 | L4 | d |
| 450 | 300 | 1120 | 470 | 550 | 765 | 335 | 35 | 130 | 1883 | 1260 | 120 | 625 | 464 | 33 |
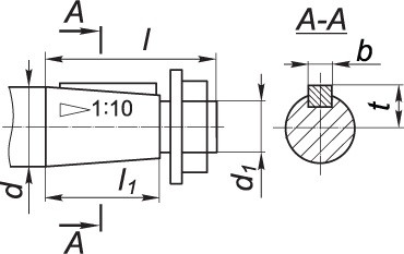
Розміри швидкохідного (конічного) валу редуктора КЦ2-750:
| d | d1 | I | I1 | b | t |
| 50 | M36×3 | 110 | 82 | 12 | 26 |
Розміри тихохідного (циліндричного) валу редуктора КЦ2-750:

| d2 | I2 | b1 | t1 |
| 90 | 170 | 25 | 95 |
Розміри тихенькохідного вала (зубчастої півмуфти) редуктора КЦ2-750:
| b | d | d1 | L | I | I1 | Зачеплення | |
| m | z | ||||||
| 35 | 232 | 140 | 382 | 14 | 60 | 4 | 56 |
Редуктор КЦ2-750 має 3 варіанти збирання, які показані нижче:

Умовне позначення під час замовлення редуктора типу КЦ2-750:
КЦ2-750-75-41Ц-У3, де:
КЦ2 — тип редуктора;
750 — міжосьова відстань, мм;
75 — номінальне передавальне число;
41 — варіант збирання;
Ц — циліндричний кінець вихідної вали;
У3 — кліматичне виконання й категорія розміщення за ГОСТом 15150-69
Зазначимо, що виконання кінця тихенькохідного вала може бути циліндричним — Ц або у формі частини зубчастої муфти — М.
Компанія "ПромПривод" надає широкий асортимент промислового обладнання для різних сфер діяльності. У зв'язку з постійним розширенням клієнтської бази була введена гнучка система знижок для постійних клієнтів. Для замовлення необхідної продукції Ви можете зателефонувати за телефонами, зазначеними на сайті або заповнити заявку на сторінці товару. Здійснюється швидка та своєчасна доставка по всіх регіонах України.
Трехступенчатый редуктор КЦ2-750
Відгуків про цей товар ще не було.
Немає відгуків про цей товар, станьте першим, залиште свій відгук.
Немає питань про даний товар, станьте першим і задайте своє питання.

