Циліндричний редуктор РМ-350
Циліндричний редуктор РМ-350
Двоступеневий горизонтальний циліндричний редуктор РМ-350 отримав широке поширення в різних механізмах і машинах, коли необхідно зменшити частоту обертання валу та підвищити крутний момент.
Редуктор РМ-350 доцільно застосовувати, якщо:
- обертання на вхідний вал пряме або реверсивне;
- навантаження може носити змінний або постійний характер;
- частота обертів вала не перевищує 1500 об/хв;
- максимальні показники температури не перевищують -40 або +50 °C;
- у навколишньому середовищі немає або є запиленість.
Отворившись у компанію-виробник «ПромПривод», ви можете купити редуктор РМ-350. За понад 10-річний термін роботи на ринку України компанія зарекомендувала себе як виробник надійної продукції, що відповідає найкращим стандартам якості. Своїм клієнтам ми надаємо:
- гарантію на придбаний товар — 12 місяців;
- 100% виконання всіх умов договору;
- товар із паспортом і підтвердженими печатками ОТК;
- доставляння на всій території України та в суворо зазначені терміни;
- привабливі ціни на продукцію.
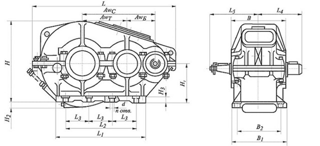
Схема габаритних і приєднувальних розмірів редуктора РМ-350

| aw | awm | L | L1 | L2 | l | l1 | l2 | l3 | l4 | l5 |
| 350 | 200 | 710 | 260 | 268,5 | 415 | 310 | 45 | 60 | 238 | 280 |
| B | B1 | B2 | H | H1 | h | Ød | відлуння. |
| 270 | 250 | 290 | 400 | 200 | 23 | 17 | 4 |
Технічні характеристики редуктора РМ-350
| Типорозмір | РМ-350 | |||||||||||
| Номінальне передавальне | 50,0 | 40,0 | 31,5 | 22,4 | 20,0 | 16,0 | 12,5 | 10,0 | 8,0 | |||
| Номінальний крутний момент | Ном. част. вращ. швидкохід. вала, с-1(об/хв) | 10 (600) | Особливо легкий | 4254 | 4222 | 4113 | 3977 | 3817 | 3762 | 3643 | 3593 | 3460 |
| ПВ 15% | 2166 | 2175 | 2357 | 2304 | 2251 | 2332 | 2254 | 2142 | 2005 | |||
| ПВ 25% | 1856 | 1855 | 2056 | 2007 | 1958 | 2031 | 1952 | 1862 | 1743 | |||
| ПВ 40% | 1624 | 1599 | 1705 | 1710 | 1664 | 1730 | 1671 | 1582 | 1481 | |||
| ПВ 100% | 657 | 608 | 602 | 595 | 587 | 677 | 684 | 692 | 695 | |||
| 12,5 (750) | Особливо легкий | 3836 | 4145 | 4253 | 3925 | 3837 | 3692 | 3623 | 3428 | 3407 | ||
| ПВ 15% | 2166 | 2098 | 2327 | 2230 | 2140 | 2247 | 2109 | 2004 | 1835 | |||
| ПВ 25% | 1856 | 1842 | 2006 | 1933 | 1853 | 1946 | 1836 | 1740 | 1594 | |||
| ПВ 40% | 1609 | 1586 | 1725 | 1635 | 1592 | 1665 | 1562 | 1477 | 1352 | |||
| ПВ 100% | 588 | 563 | 602 | 595 | 600 | 682 | 692 | 738 | 681 | |||
| 16,6 (1000) | Особливо легкий | 4037 | 4068 | 3973 | 3835 | 3759 | 3611 | 3502 | 3362 | 3184 | ||
| ПВ 15% | 2135 | 2111 | 2257 | 2141 | 2055 | 2092 | 1944 | 1790 | 1691 | |||
| ПВ 25% | 1856 | 1842 | 1956 | 1851 | 1801 | 1821 | 1691 | 1552 | 1463 | |||
| ПВ 40% | 1624 | 1535 | 1655 | 1583 | 1527 | 1550 | 1437 | 1315 | 1242 | |||
| ПВ 100% | 580 | 576 | 602 | 602 | 607 | 692 | 688 | 692 | 684 | |||
| 20,83 (1250) | Особливо легкий | 4121 | 4053 | 3900 | 3746 | 3680 | 3491 | 3333 | 3204 | 3019 | ||
| ПВ 15% | 2116 | 2057 | 2167 | 2034 | 2020 | 1938 | 1710 | 1661 | 1541 | |||
| ПВ 25% | 1819 | 1781 | 1878 | 1766 | 1754 | 1685 | 1488 | 1432 | 1352 | |||
| ПВ 40% | 1633 | 1535 | 1589 | 1498 | 1488 | 1433 | 1266 | 1218 | 1151 | |||
| ПВ 100% | 594 | 583 | 602 | 607 | 595 | 686 | 686 | 688 | 623 | |||
| 25 (1500) | Особливо легкий | 4022 | 3889 | 3772 | 3642 | 3524 | 3361 | 3180 | 3164 | 2778 | ||
| ПВ 15% | 2042 | 1996 | 2147 | 1933 | 1932 | 1816 | 1691 | 1714 | 1415 | |||
| ПВ 25% | 1794 | 1740 | 1866 | 1680 | 1684 | 1575 | 1465 | 1384 | 1232 | |||
| ПВ 40% | 1516 | 1484 | 1585 | 1427 | 1436 | 1344 | 1248 | 1173 | 1059 | |||
| ПВ 100% | 588 | 588 | 602 | 610 | 600 | 692 | 684 | 626 | 687 | |||
| Маса, кг, не більш ніж | 145 | |||||||||||
| Номінальна частота обертання швидкохідного вала, | Короткочасний допустимий крутний момент | ||||||||
| 50,0 | 40,0 | 31,5 | 22,4 | 20,0 | 16,0 | 12,5 | 10,0 | 8,0 | |
| РМ-350 | |||||||||
| 10,0 (600) | 8000 | 7900 | 7700 | 7600 | 7400 | 7200 | 6900 | 6800 | 6000 |
| 12,5 (750) | 8000 | 7900 | 7600 | 7400 | 7300 | 7000 | 6800 | 6600 | 6400 |
| 16,6 (1000) | 7900 | 7800 | 7500 | 7300 | 7200 | 6800 | 6600 | 6400 | 6100 |
| 20,8 (1250) | 7800 | 7700 | 7400 | 7100 | 7000 | 6600 | 6400 | 6100 | 5800 |
| 25,0 (1500) | 7700 | 7400 | 7100 | 6900 | 6800 | 6400 | 6100 | 6000 | 5400 |
| Номінальна частота обертання швидкохідного вала, об/хв | РМ-350 | ||
| FБ max | FТ max | FM max | |
| 600 | 3,8 | 24,0 | 18,4 |
| 750 | 3,5 | 22,5 | 16,9 |
| 1000 | 3,1 | 20,0 | 16,0 |
| 1250 | 2,9 | 18,5 | 14,0 |
| 1500 | 2,9 | 17,5 | 13,7 |
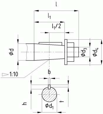
Розміри кінців швидкохідних валів редуктора РМ-350

| Ød | Ød1 | Ød3 | Ød4 | l | l1 | b | h | t |
| 40 | 35,90 | М24×2 | 63 | 110 | 82 | 12 | 8 | 5 |
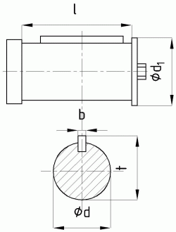
Розміри кінців тихохідних валів під муфти редуктора РМ-350

| Ød m6 | Ød1 | b | l | t |
| 55 | 65 | 16 | 82 | 60 |
Розміри кінців тихохідних валів у формі зубчастої напівмуфти редуктора РМ-350
| m | z | b | L | L1 | k | B | Ød F7 | Ød1 f9 |
| 3 | 48 | 25 | 54,5 | 16 | 24,5 | 45 | 90 | 110 |
Варіанти збирання редуктора

Цилиндрический редуктор РМ-350
Відгуків про цей товар ще не було.
Немає відгуків про цей товар, станьте першим, залиште свій відгук.
Немає питань про даний товар, станьте першим і задайте своє питання.