Циліндричний редуктор РМ-650
Циліндричний редуктор РМ-650
Горизонтальний редуктор-демультиплікатор РМ-650 завдяки своїй універсальності та невибагливості застосовується в різних сферах народного господарства. Його основною метою є зменшення швидкості обертання вхідного вала за одночасного підвищення крутного моменту.
До його безперечних переваг можна віднести:
- можливість використання у разі змінюваних навантажень;
- обертання вала може здійснюватися як у прямому, так і реверсивному напрямку;
- стабільну роботу за температур від -40 до +50;
- можливість роботи в запилених приміщеннях.
Зателефонувавши телефонами зазначений на сайті, ви зможете не тільки отримати консультацію в наших фахівців, але й придбати редуктор у компанії-виробника «Пром Привод». Наша продукція комплектується паспортами з усіма необхідними печатками ОТК. Гарантія, що надається заводом-виробником, становить 12 місяців. Доставка здійснюється на всій території України.
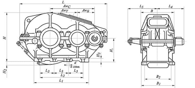
Схема габаритних і приєднувальних розмірів редуктора РМ-650

| aw | aw2 | L | L1 | L2 | l | l1 | l2 | l3 | l4 | l5 |
| 650 | 400 | 1278 | 430 | 430 | 830 | 490 | 215 | 155 | 445 | 460 |
| B | B1 | B2 | H | H1 | h | Ød | Маса, кг. |
| 470 | 410 | 470 | 318 | 697 | 320 | 95 | 878 |
Технічні характеристики редуктора РМ-650
| Типорозмір редуктора | Передавальне відношення | Частота обертання вхідного вала, хв-1
| Номінальний крутний момент на вихідному валу, Н х м |
| РМ 650 | 8; 10; 12,5; 16; 20; 25; 31,5;40;50 | от 1500 до 600 | 4687...5636 |
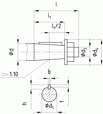
Розміри кінців валів редуктора РМ-650

| Типорозмір редуктора, мм | d | d1 | d2 | l | l1 | b | t | d3 | d4 | l1 | b1 | t1 |
| РМ -650 | 60 | 94 | М42Х3 | 140 | 105 | 16 | 31,38 | 110 | 130 | 165 | 28 | 120 |
| 125 | 32 | 120 |
Розміри кінців валів у формі зубчастої півмуфти редуктора РМ-650

| m | z | b | L | L1 не більш ніж | до | В | d F7 | d1 f9 |
| 6 | 56 | 40 | 75 | 16 | 32 | 68 | 170 | 260 |
Варіанти збирання редуктора

Цилиндрический редуктор РМ-650
Відгуків про цей товар ще не було.
Немає відгуків про цей товар, станьте першим, залиште свій відгук.
Немає питань про даний товар, станьте першим і задайте своє питання.