Циліндричний редуктор РМ-1000 8
Циліндричний редуктор РМ-1000
Редуктор двоступеневий циліндричний РМ-1000 призначений для підвищення крутного моменту, подаваного на вхідний вал пристрою, частота обертання вала водночас пропорційно зменшується. Величина цієї зміни безпосередньо залежить від передавального ставлення між валом на вході та виході.
Завдяки своїй універсальності циліндричні редуктори РМ досить широко використовуються в різних передавальних механізмах. Основними перевагами цих редукторів є досить високий ККД, реверсивний рух вала, мінімальна втрата потужності за змінних навантажень, температура стійкої роботи від -40 до +50 °C.
Компанія «ПромПривод» має тривалий досвід роботи на ринку України, понад 10 років. Купуючи товар у нас, ви отримуєте:
- професійну консультацію фахівців компанії — це допоможе підібрати редуктор максимально відповідний до вашого завдання;
- товар, що пройшов необхідну перевірку ОТК;
- гарантію від заводу на 12 місяців;
- виконання всіх умов договору;
- доставку на всій території України в заздалегідь заявлені терміни.
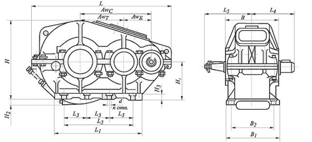
Схема габаритних і приєднувальних розмірів редуктора РМ-1000

| aw | awm | L | L1 | L2 | l | l1 | l2 | l3 | l4 | l5 |
| 1000 | 600 | 1896 | 550 | 695,5 | 1350 | 870 | 350 | 250 | 639 | 645 |
| B | B1 | B2 | H | H1 | h | Ød | відлуння. |
| 660 | 590 | 660 | 1172 | 965 | 400 | 200 | 40 |
Технічні характеристики редуктора РМ-1000
| Типорозмір | РМ-1000 | |||||||||||
| Номінальне передавальне | 50,0 | 40,0 | 31,5 | 22,4 | 20,0 | 16,0 | 12,5 | 10,0 | 8,0 | |||
| Номінальний крутний момент | Ном. част. вращ. швидкохід. вала, с-1(об/хв) | 10 (600) | Особливо легкий | 102862 | 99784 | 100317 | 98487 | 96249 | 82762 | 73464 | 60978 | 55696 |
| ПВ 15% | 58005 | 58207 | 60692 | 61694 | 60360 | 56428 | 54343 | 50266 | 46522 | |||
| ПВ 25% | 50271 | 50532 | 53168 | 53518 | 52529 | 49657 | 47299 | 43674 | 40625 | |||
| ПВ 40% | 43310 | 42856 | 44641 | 45341 | 44699 | 42133 | 40254 | 37081 | 34073 | |||
| ПВ 100% | 17401 | 16631 | 17555 | 17468 | 17292 | 18559 | 18517 | 18623 | 16905 | |||
| 12,5 (750) | Особливо легкий | 100851 | 99272 | 100317 | 96629 | 92660 | 76241 | 67627 | 56034 | - | ||
| ПВ 15% | 58159 | 57312 | 57783 | 58275 | 58728 | 51162 | 49110 | 46146 | - | |||
| ПВ 25% | 50735 | 50148 | 49757 | 50842 | 51159 | 44139 | 41864 | 40213 | - | |||
| ПВ 40% | 42691 | 42472 | 42133 | 43111 | 43329 | 37719 | 35424 | 34280 | - | |||
| ПВ 100% | 16149 | 16119 | 17455 | 17393 | 17227 | 18458 | 16907 | 17008 | - | |||
| 16,6 (1000) | Особливо легкий | 97448 | 95946 | 94800 | 90311 | 83199 | 67714 | - | - | - | ||
| ПВ 15% | 54292 | 56032 | 51162 | 52403 | 49919 | 43638 | - | - | - | |||
| ПВ 25% | 48260 | 48741 | 44541 | 45713 | 43068 | 37619 | - | - | - | |||
| ПВ 40% | 40835 | 41449 | 37920 | 38577 | 36803 | 32352 | - | - | - | |||
| ПВ 100% | 16009 | 15927 | 17455 | 17393 | 17423 | 17004 | - | - | - | |||
| 20,83 (1250) | Особливо легкий | 94664 | 92108 | 92693 | 80277 | - | - | - | - | - | ||
| ПВ 15% | 51972 | 52195 | 45745 | 45490 | - | - | - | - | - | |||
| ПВ 25% | 44548 | 46054 | 39485 | 39246 | - | - | - | - | - | |||
| ПВ 40% | 37865 | 38992 | 33466 | 33716 | - | - | - | - | - | |||
| ПВ 100% | 15963 | 15965 | 17335 | 17482 | - | - | - | - | - | |||
| 25 (1500) | Особливо легкий | 92808 | 89550 | 89282 | - | - | - | - | - | - | ||
| ПВ 15% | 46713 | 48101 | 40528 | - | - | - | - | - | - | |||
| ПВ 25% | 40835 | 41705 | 35312 | - | - | - | - | - | - | |||
| ПВ 40% | 34648 | 35308 | 29894 | - | - | - | - | - | - | |||
| ПВ 100% | 15932 | 15863 | 17455 | - | - | - | - | - | - | |||
| Маса, кг, не більш ніж | 2122 | |||||||||||
| Номінальна частота обертання швидкохідного вала, | Короткочасний допустимий крутний момент | ||||||||
| 50,0 | 40,0 | 31,5 | 22,4 | 20,0 | 16,0 | 12,5 | 10,0 | 8,0 | |
| РМ-1000 | |||||||||
| 10,0 (600) | 209000 | 205000 | 196000 | 190000 | 18700 | 16000 | 14200 | 12000 | 10700 |
| 12,5 (750) | 206000 | 202000 | 191000 | 182000 | 18100 | 14700 | 12500 | 11000 | - |
| 16,6 (1000) | 200000 | 193000 | 182000 | 172000 | 15900 | 12900 | - | - | - |
| 20,8 (1250) | 195000 | 187000 | 178000 | 155000 | - | - | - | - | - |
| 25,0 (1500) | 190000 | 184000 | 16800 | - | - | - | - | - | - |
| Номінальна частота обертання швидкохідного вала, об/хв | РМ-1000 | ||
| FБ max | FТ max | FM max | |
| 600 | 13,0 | 176 | 199,0 |
| 750 | 12,0 | 164 | 184,3 |
| 1000 | 10,5 | 150 | 168,2 |
| 1250 | 10,0 | 134 | 157,0 |
| 1500 | 9,1 | 128 | 154,0 |
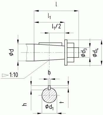
Розміри кінців швидкохідних валів редуктора РМ-1000

| Ød | Ød1 | Ød3 | Ød4 | l | l1 | b | h | t |
| 90 | 83,50 | М64×4 | 130 | 170 | 130 | 22 | 14 | 9 |
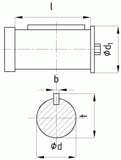
Розміри кінців тихохідних валів під муфти редуктора РМ-1000

| Ød m6 | Ød1 | b | l | t |
| 150 | 170 | 36 | 200 | 162 |
Розміри кінців тихохідних валів у формі зубчастої напівмуфти редуктора РМ-1000

| m | z | b | L | L1 | k | B | Ød F7 | Ød1 f9 |
| 10 | 48 | 60 | 70 | 16 | 50 | 85 | 200 | 260 |
| 8 | 54 | 50 | 70 | 22 | 40 | 78 | з | 280 |
Варіанти збирання редуктора

Цилиндрический редуктор РМ-1000 8
Відгуків про цей товар ще не було.
Немає відгуків про цей товар, станьте першим, залиште свій відгук.
Немає питань про даний товар, станьте першим і задайте своє питання.