Циліндричний редуктор РМ-400 16
Циліндричний редуктор РМ-400
Сфери використання
Горизонтальні двоступеневі циліндричні редуктори РМ-400 призначені для загального настроювання та широко використовуються там, де необхідно перетворити частоту обертання й крутний момент.
Редуктор РМ-400 застосовується:
- як у разі постійних, так і змінних навантажень;
- у разі прямого та реверсивного руху вала;
- в широкому діапазоні температур довкілля від -40 до +50;
- за наявності запиленості в довкілля;
- у разі неагресивного довкілля.
Придбати циліндричний редуктор РМ-400 ви можете безпосередньо в компанії виробника «ПромПривод». Наші кваліфіковані менеджери дадуть відповідь на ваші питання, допоможуть визначитися з необхідним вам типом редуктора, зроблять економічно вигідні пропозиції та допоможуть з оформленням замовлення.
Кожен редуктор постачається з паспортом, у якому проставлені печатки ОТК, а гарантія, що надається заводом виробником на цю продукцію — 12 місяців.
Доставка товару здійснюється на всій території України та в суворо зазначені терміни.
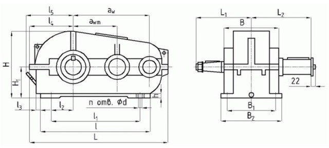
Схема габаритних і приєднувальних розмірів редуктора РМ-400

| aw | awm | L | L1 | L2 | l | l1 | l2 | l3 | l4 | l5 |
| 400 | 250 | 816 | 270 | 325,5 | 440 | 370 | 80 | 75 | 288 | 367 |
| B | B1 | B2 | H | H1 | h | Ød | відлуння. |
| 300 | 270 | 310 | 490 | 250 | 25 | 17 | 4 |
Технічні характеристики редуктора РМ-400
| Типорозмір | РМ-400 | |||||||||||
| Номінальне передавальне | 50,0 | 40,0 | 31,5 | 22,4 | 20,0 | 16,0 | 12,5 | 10,0 | 8,0 | |||
| Номінальний крутний момент | Ном. част. вращ. швидкохід. вала, с-1(об/хв) | 10 (600) | Особливо легкий | 8507 | 8251 | 7875 | 7322 | 7015 | 5768 | 5233 | 4862 | 4259 |
| ПВ 15% | 3480 | 3710 | 3160 | 11150 | 9788 | 2984 | 2858 | 2670 | 2503 | |||
| ПВ 25% | 3016 | 3198 | 2759 | 3010 | 3034 | 2608 | 2496 | 2324 | 2175 | |||
| ПВ 40% | 2552 | 2750 | 2357 | 2564 | 2578 | 2207 | 2113 | 1978 | 1848 | |||
| ПВ 100% | 1237 | 1215 | 1254 | 1264 | 1272 | 1329 | 1349 | 1351 | 1337 | |||
| 12,5 (750) | Особливо легкий | 8476 | 8187 | 7785 | 6987 | 6656 | 5517 | 5072 | 4549 | 4036 | ||
| ПВ 15% | 3217 | 3377 | 3050 | 3092 | 3132 | 2648 | 2512 | 2360 | 2202 | |||
| ПВ 25% | 2784 | 2917 | 2648 | 2706 | 2715 | 2307 | 2190 | 2057 | 3491 | |||
| ПВ 40% | 2351 | 2507 | 2247 | 2289 | 2323 | 1966 | 1868 | 1754 | 1625 | |||
| ПВ 100% | 1176 | 1126 | 1244 | 1249 | 1253 | 1344 | 1353 | 1345 | 1342 | |||
| 16,6 (1000) | Особливо легкий | 8353 | 8059 | 7373 | 6690 | 6264 | 5191 | 4649 | 4153 | 3578 | ||
| ПВ 15% | 2691 | 3070 | 2739 | 2720 | 2643 | 2317 | 2246 | 2077 | 1769 | |||
| ПВ 25% | 2320 | 2686 | 2378 | 2364 | 2290 | 2016 | 1956 | 1810 | 1549 | |||
| ПВ 40% | 1995 | 2264 | 2016 | 2007 | 1860 | 1715 | 1667 | 1543 | 1282 | |||
| ПВ 100% | 1160 | 1151 | 1234 | 1249 | 1253 | 1279 | 1340 | 1335 | 1337 | |||
| 20,83 (1250) | Особливо легкий | 8353 | 7983 | 6982 | 6244 | 5873 | 4815 | 4299 | 3797 | 3271 | ||
| ПВ 15% | 2747 | 2825 | 2408 | 2408 | 2427 | 2095 | 1913 | 1819 | 1541 | |||
| ПВ 25% | 2376 | 2456 | 2095 | 2105 | 2114 | 1830 | 1662 | 1519 | 1352 | |||
| ПВ 40% | 2005 | 2088 | 1782 | 1784 | 1801 | 1553 | 1411 | 1329 | 1145 | |||
| ПВ 100% | 1151 | 1136 | 1252 | 1249 | 1253 | 1264 | 1353 | 1345 | 1352 | |||
| 25 (1500) | Особливо легкий | 8198 | 7804 | 6721 | 5946 | 5547 | 4514 | 3985 | 3527 | 3093 | ||
| ПВ 15% | 2475 | 2507 | 2147 | 2215 | 2127 | 1886 | 1731 | 1549 | 1363 | |||
| ПВ 25% | 2166 | 2200 | 1886 | 1933 | 1918 | 1645 | 1497 | 1351 | 1179 | |||
| ПВ 40% | 1825 | 1868 | 1605 | 1635 | 1631 | 1394 | 1272 | 1147 | 1006 | |||
| ПВ 100% | 835 | 1151 | 1244 | 1264 | 1266 | 1274 | 1296 | 1233 | 1195 | |||
| Маса, кг, не більш ніж | 210 | |||||||||||
| Номінальна частота обертання швидкохідного вала, | Короткочасний допустимий крутний момент | ||||||||
| 50,0 | 40,0 | 31,5 | 22,4 | 20,0 | 16,0 | 12,5 | 10,0 | 8,0 | |
| РМ-400 | |||||||||
| 12,5 (750) | 16200 | 15700 | 14900 | 13500 | 12900 | 10600 | 9660 | 8700 | 7750 |
| 16,6 (1000) | 16000 | 15500 | 14100 | 12700 | 12000 | 9950 | 8850 | 7950 | 6900 |
| 25,0 (1500) | 15700 | 14900 | 12800 | 11400 | 10600 | 8600 | 7700 | 6700 | 5900 |
| Номінальна частота обертання швидкохідного вала, об/хв | РМ-400 | ||
| FБ max | FТ max | FM max | |
| 600 | 3,3 | 27,0 | 24,90 |
| 750 | 3,0 | 25,5 | 23,60 |
| 1000 | 2,7 | 22,5 | 21,65 |
| 1250 | 2,5 | 22,0 | 20,25 |
| 1500 | 2,3 | 21,0 | 20,10 |
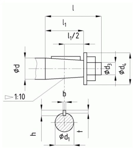
Розміри кінців швидкохідних валів редуктора РМ-400

| Ød | Ød1 | Ød3 | Ød4 | l | l1 | b | h | t |
| 40 | 35,9 | М24×2 | 63 | 110 | 82 | 12 | 8 | 5 |
Розміри кінців тихохідних валів під муфти редуктора РМ-400

| Ød m6 | Ød1 | b | l | t |
| 80 | 90 | 22 | 123 | 88 |
Розміри кінців тихохідних валів у формі зубчастої напівмуфти редуктора РМ-400

| m | z | b | L | L1 | k | B | Ød F7 | Ød1 f9 |
| 3 | 56 | 25 | 57,5 | 16 | 26,5 | 45 | 90 | 135 |
Варіанти збирання редуктора

Цилиндрический редуктор РМ-400 16
Відгуків про цей товар ще не було.
Немає відгуків про цей товар, станьте першим, залиште свій відгук.
Немає питань про даний товар, станьте першим і задайте своє питання.