Циліндричний редуктор РМ-750 20
Циліндричний редуктор РМ-750
Двосмуговий редуктор РМ-750 — це промисловий механізм, що застосовується для передавання перетвореного (збільшеного) крутного моменту.
Редуктор часто застосовується у виробничих, будівельних, транспортних галузях. До його безперечних плюсів належать високий ККД, можливість реверсивного руху, здатність витримувати переривчасті навантаження, невибагливість до довкілля та температури.
Купити Циліндричний редуктор РМ-750 за найкращою ціною ви можете у виробничій компанії «Промпривод». Наші фахівці професійно проконсультують з усіх питань, що виникли, допоможуть визначитися з вибором.
Редуктора проходять усі необхідні випробування, що підтверджено печатками ОТК у паспорті продукції. Гарантія заводу на продукцію — 1 рік.
Доставка здійснюється в заявлений термін і на всій території України.
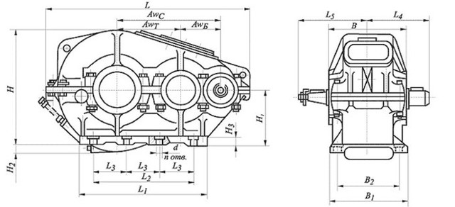
Схема габаритних і приєднувальних розмірів релдуктора РМ-750

| aw | awm | L | L1 | L2 | l | l1 | l2 | l3 | l4 | l5 |
| 750 | 450 | 1448 | 450 | 475 | 1025 | 620 | 275 | 230 | 491 | 525 |
| B | B1 | B2 | H | H1 | h | Ød | відлуння. |
| 510 | 450 | 510 | 356 | 743 | 320 | 130 | 35 |
Технічні характеристики редуктора РМ-750
| Типорозмір | РМ-750 | |||||||||||
| Номінальне передавальне | 50,0 | 40,0 | 31,5 | 22,4 | 20,0 | 16,0 | 12,5 | 10,0 | 8,0 | |||
| Номінальний крутний момент | Ном. част. вращ. швидкохід. вала, с-1(об/хв) | 10 (600) | Особливо легкий | 49497 | 46694 | 44641 | 43483 | 42741 | 39374 | 35021 | 31148 | 26865 |
| ПВ 15% | 24749 | 24626 | 25581 | 26016 | 25449 | 24076 | 23146 | 21260 | 19788 | |||
| ПВ 25% | 21655 | 21428 | 22070 | 22671 | 22186 | 21067 | 20127 | 18458 | 17167 | |||
| ПВ 40% | 18175 | 18230 | 18809 | 19326 | 18924 | 17806 | 17108 | 15657 | 14546 | |||
| ПВ 100% | 7347 | 7036 | 7273 | 7247 | 7341 | 7900 | 7850 | 7828 | 7863 | |||
| 12,5 (750) | Особливо легкий | 46404 | 46054 | 44139 | 42517 | 41501 | 36515 | 32203 | 28347 | 24637 | ||
| ПВ 15% | 24749 | 24306 | 24076 | 24975 | 24796 | 21468 | 20449 | 19381 | 17613 | |||
| ПВ 25% | 21346 | 20980 | 20866 | 21704 | 21664 | 18659 | 17712 | 16876 | 15307 | |||
| ПВ 40% | 18258 | 17910 | 17856 | 18434 | 18271 | 15850 | 15136 | 14371 | 13000 | |||
| ПВ 100% | 6806 | 6703 | 7303 | 7284 | 7308 | 7825 | 7809 | 7911 | 7129 | |||
| 16,6 (1000) | Особливо легкий | 45476 | 44519 | 42434 | 40807 | 40131 | 32352 | 28379 | 24721 | - | ||
| ПВ 15% | 23666 | 23795 | 21668 | 21630 | 21142 | 18358 | 17994 | 16612 | - | |||
| ПВ 25% | 20418 | 20724 | 18960 | 18954 | 18402 | 15950 | 15699 | 14437 | - | |||
| ПВ 40% | 17169 | 17654 | 15950 | 16055 | 15661 | 13543 | 13284 | 12262 | - | |||
| ПВ 100% | 6729 | 6716 | 7163 | 7805 | 7341 | 7825 | 7125 | 7120 | - | |||
| 20,83 (1250) | Особливо легкий | 44176 | 43905 | 41411 | 39246 | 36020 | 28891 | 25119 | - | - | ||
| ПВ 15% | 21531 | 22413 | 19261 | 19445 | 19263 | 16612 | 15651 | - | - | |||
| ПВ 25% | 18933 | 19650 | 16853 | 16947 | 16914 | 14446 | 13719 | - | - | |||
| ПВ 40% | 15963 | 16579 | 14205 | 14271 | 14408 | 12279 | 11593 | - | - | |||
| ПВ 100% | 6719 | 6755 | 7343 | 7314 | 7282 | 7102 | 7149 | - | - | |||
| 25 (1500) | Особливо легкий | 43620 | 42216 | 40127 | 36422 | 33279 | 26584 | - | - | - | ||
| ПВ 15% | 20108 | 20213 | 17255 | 17839 | 17619 | 15048 | - | - | - | |||
| ПВ 25% | 17324 | 17654 | 15048 | 15461 | 15400 | 13041 | - | - | - | |||
| ПВ 40% | 14849 | 15096 | 12640 | 13231 | 13051 | 11135 | - | - | - | |||
| ПВ 100% | 6651 | 6780 | 7323 | 7136 | 7308 | 7123 | - | - | - | |||
| Маса, кг, не більш ніж | 1030 | |||||||||||
| Номінальна частота обертання швидкохідного вала, | Короткочасний допустимий крутний момент | ||||||||
| 50,0 | 40,0 | 31,5 | 22,4 | 20,0 | 16,0 | 12,5 | 10,0 | 8,0 | |
| РМ-750 | |||||||||
| 10,0 (600) | 95000 | 89000 | 85000 | 83000 | 82000 | 75500 | 67500 | 60000 | 52000 |
| 12,5 (750) | 89000 | 88000 | 84000 | 81000 | 80000 | 70000 | 62000 | 54500 | 47000 |
| 16,6 (1000) | 87000 | 85500 | 81000 | 79000 | 76000 | 62000 | 54000 | 47500 | - |
| 20,8 (1250) | 85000 | 83000 | 79000 | 75000 | 70000 | 56000 | 48600 | - | - |
| 25,0 (1500) | 83500 | 81000 | 76500 | 69000 | 63500 | 51000 | - | - | - |
| Номінальна частота обертання швидкохідного вала, об/хв | РМ-750 | ||
| FБ max | FТ max | FM max | |
| 600 | 6,7 | 105,0 | 113,3 |
| 750 | 6,3 | 97,5 | 105,0 |
| 1000 | 5,5 | 88,5 | 96,1 |
| 1250 | 5,0 | 81,5 | 89,7 |
| 1500 | 4,6 | 79,0 | 89,2 |
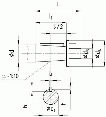
Розміри кінців швидкохідних валів редуктора РМ-750

| Ød | Ød1 | Ød3 | Ød4 | l | l1 | b | h | t |
| 60 | 54,75 | М42´ З | 94 | 140 | 105 | 16 | 10 | 6 |
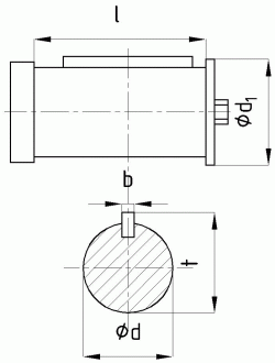
Розміри кінців тихохідних валів під муфти редуктора РМ-750

| Ød m6 | Ød1 | b | l | t |
| 110 | 130 | 28 | 165 | 120 |
Розміри кінців тихохідних валів у формі зубчастої напівмуфти редуктора РМ-750

| m | z | b | L | L1 | k | B | Ød F7 | Ød1 f9 |
| 6 | 56 | 40 | 75 | 16 | 32 | 68 | 170 | 260 |
Варіанти збирання редуктора

Цилиндрический редуктор РМ-750 20
Відгуків про цей товар ще не було.
Немає відгуків про цей товар, станьте першим, залиште свій відгук.
Немає питань про даний товар, станьте першим і задайте своє питання.