Циліндричний редуктор РМ-850 20
Циліндричний редуктор РМ-850
Двоступеневий циліндричний редуктор РМ-850 слугує для збільшення крутного моменту, що подається на вхідний вал механізму за одночасного зниження швидкості вала. Величина перетворення безпосередньо залежить від передавального ставлення між валами.
Редуктор отримав широке поширення в різних промислових, будівельних та ін. передавальних механізмах.
Редуктор має низку позитивних якостей:
- високий ККД;
- можливий реверсивний рух вала;
- невибагливий до навколишньої температури (від -40 до +50 °C);
- стійко працює у разі змінних навантажень.
Придбати циліндричний редуктор РМ-850 можна в компанії «Пром Привод». Компанія має понад 10-річну позитивну історію на ринку України. Менеджери підприємства зможуть відповісти на будь-які питання, що виникли у вас, і спільно з вами підберуть оптимальний редуктор для вирішення виробничих завдань. Якість продукції відповідає найвищим стандартам, тому на неї заводом надається гарантія 12 місяців. Доставка здійснюється на всій території України, у заздалегідь заявлені терміни.
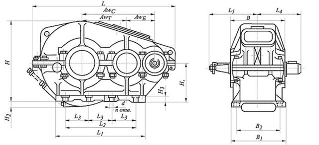
Схема габаритних і приєднувальних розмірів редуктора РМ-850

| aw | awm | L | L1 | L2 | l | l1 | l2 | l3 | l4 | l5 |
| 850 | 500 | 1632 | 510 | 550 | 1100 | 610 | 300 | 205 | 546 | 530 |
| B | B1 | B2 | H | H1 | h | Ød | відлуння. |
| 580 | 520 | 580 | 408 | 875 | 400 | 105 | 35 |
Технічні характеристики редуктора РМ-850
| Типорозмір | РМ-850 | |||||||||||
| Номінальне передавальне | 50,0 | 40,0 | 31,5 | 22,4 | 20,0 | 16,0 | 12,5 | 10,0 | 8,0 | |||
| Номінальний крутний момент | Ном. част. вращ. швидкохід. вала, с-1(об/хв) | 10 (600) | Особливо легкий | 65739 | 65883 | 62197 | 62809 | 62317 | 58936 | 57362 | 56034 | 55041 |
| ПВ 15% | 34029 | 33901 | 36616 | 34935 | 35237 | 36114 | 34619 | 33291 | 31714 | |||
| ПВ 25% | 29776 | 29423 | 31600 | 30475 | 30669 | 31349 | 30191 | 29006 | 27520 | |||
| ПВ 40% | 25135 | 24946 | 27086 | 25644 | 26102 | 26584 | 25561 | 24556 | 23327 | |||
| ПВ 100% | 10131 | 9403 | 10032 | 10220 | 10114 | 10784 | 10768 | 10877 | 10877 | |||
| 12,5 (750) | Особливо легкий | 65584 | 64987 | 62999 | 62437 | 61339 | 58184 | 56356 | 54716 | 51895 | ||
| ПВ 15% | 34029 | 33773 | 35312 | 34489 | 34193 | 34910 | 32203 | 31115 | 26904 | |||
| ПВ 25% | 29389 | 29168 | 30898 | 30029 | 29756 | 30296 | 28017 | 27028 | 24113 | |||
| ПВ 40% | 25058 | 24818 | 26082 | 25570 | 25318 | 24076 | 23830 | 22941 | 20444 | |||
| ПВ 100% | 9404 | 9160 | 10032 | 9960 | 10049 | 10834 | 10788 | 9888 | 3565 | |||
| 16,6 (1000) | Особливо легкий | 64965 | 64092 | 61695 | 60207 | 59707 | 55676 | 54343 | - | - | ||
| ПВ 15% | 33875 | 33005 | 34609 | 33003 | 31713 | 29042 | 28500 | - | - | |||
| ПВ 25% | 29234 | 28784 | 30095 | 28766 | 27602 | 25280 | 24756 | - | - | |||
| ПВ 40% | 25058 | 24562 | 25581 | 24529 | 23491 | 21518 | 21013 | - | - | |||
| ПВ 100% | 9884 | 9211 | 9931 | 10035 | 9984 | 10834 | 9903 | - | - | |||
| 20,83 (1250) | Особливо легкий | 64223 | 62941 | 60190 | 58869 | 57945 | - | - | - | - | ||
| ПВ 15% | 33039 | 32238 | 30577 | 30683 | 30695 | - | - | - | - | |||
| ПВ 25% | 28956 | 27939 | 26724 | 26759 | 26780 | - | - | - | - | |||
| ПВ 40% | 24501 | 23641 | 22872 | 22834 | 22708 | - | - | - | - | |||
| ПВ 100% | 9132 | 9211 | 9992 | 9990 | 10023 | - | - | - | - | |||
| 25 (1500) | Особливо легкий | 63418 | 61405 | 60190 | 57234 | - | - | - | - | - | ||
| ПВ 15% | 31864 | 31214 | 27487 | 27651 | - | - | - | - | - | |||
| ПВ 25% | 27842 | 27121 | 23875 | 24083 | - | - | - | - | - | |||
| ПВ 40% | 23511 | 23027 | 20264 | 20515 | - | - | - | - | - | |||
| ПВ 100% | 9157 | 9083 | 10032 | 10109 | - | - | - | - | - | |||
| Маса, кг, не більш ніж | 1230 | |||||||||||
| Номінальна частота обертання швидкохідного вала, | Короткочасний допустимий крутний момент | ||||||||
| 50,0 | 40,0 | 31,5 | 22,4 | 20,0 | 16,0 | 12,5 | 10,0 | 8,0 | |
| РМ-850 | |||||||||
| 10,0 (600) | 122800 | 122000 | 116800 | 113400 | 111400 | 104800 | 101600 | 89000 | 76800 |
| 12,5 (750) | 121800 | 120000 | 115200 | 109400 | 10800 | 101200 | 92600 | 81000 | 69000 |
| 16,6 (1000) | 118400 | 116400 | 110400 | 105600 | 103000 | 95600 | 90000 | - | - |
| 20,8 (1250) | 116400 | 113400 | 106400 | 101000 | 98200 | - | - | - | - |
| 25,0 (1500) | 113200 | 110400 | 103000 | 96800 | - | - | - | - | - |
| Номінальна частота обертання швидкохідного вала, об/хв | РМ-850 | ||
| FБ max | FТ max | FMmax | |
| 600 | 14,0 | 150 | 163,2 |
| 750 | 13,0 | 137 | 152,2 |
| 1000 | 11,5 | 124 | 137,8 |
| 1250 | 10,5 | 119 | 127,8 |
| 1500 | 9,9 | 111 | 124,4 |
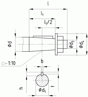
Розміри кінців швидкохідних валів редуктора РМ-850

| Ød | Ød1 | Ød3 | Ød4 | l | l1 | b | h | t |
| 90 | 83,50 | М64×4 | 130 | 170 | 130 | 22 | 14 | 9 |
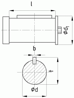
Розміри кінців тихохідних валів під муфти редуктора РМ-850

| Ød m6 | Ød1 | b | l | t |
| 130 | 150 | 32 | 200 | 141 |
Варіанти збирання редуктора

Цилиндрический редуктор РМ-850 20
Відгуків про цей товар ще не було.
Немає відгуків про цей товар, станьте першим, залиште свій відгук.
Немає питань про даний товар, станьте першим і задайте своє питання.