1ц2у 250
Редуктор 1Ц2У-250 є циліндричним двоступеневим горизонтальним редуктором загальному теплобудівному.
Цей тип редукторів експлуатується на постійному або змінному навантаженні. Навантаження може бути як односпрямованим, так і реверсивним.
Редуктори циліндричні 1Ц2У двоступеневі призначені для роботи з періодичними зупинками, а також допускають експлуатацію впродовж тривалого часу (до 24 годин на добу). Гранично допустима частота обертання швидкохідного вала — 1800 об./хв, окружна швидкість — 16 м/с.
Кліматичні виконання редукторів циліндричних типу 1Ц2У за ГОСТом 15150:
• У, Т для категорії розміщення 1-3;
• УХЛ та О для категорії розміщення 4.
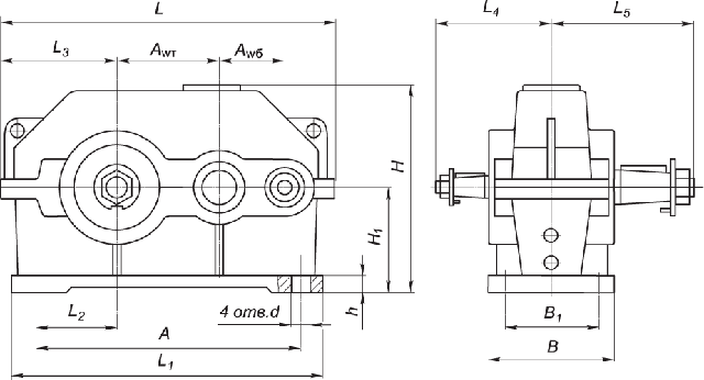
Габаритні та приєднувальні розміри редуктора 1Ц2У:

| AWT | AWб | A | B | B1 | H | H1 | h | L | L1 | L2 | L3 | L4 | L5 | d |
| 200 | 125 | 515 | 230 | 165 | 420 | 212 | 30 | 670 | 580 | 165 | 236 | 212 | 280 | 24 |
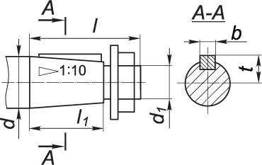
Розміри конічних валів циліндричного редуктора 1Ц2У:

| швидкохідний вал | тихохідний вал | ||||||||||
| d | d1 | l | l1 | b | t | d | d1 | l | l1 | b | t |
| 30 | М20×1.5 | 80 | 58 | 5 | 15.55 | 70 | М48×3 | 140 | 105 | 18 | 36.38 |
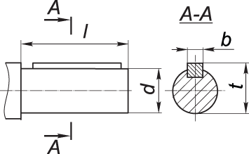
Розміри циліндричних валів редуктора 1Ц2У:

| швидкохідний вал | тихохідний вал | ||||||
| d | l | b | t | d | l | b | t |
| 25k6 | 58 | 8 | 28 | 65m6 | 105 | 18 | 69 |
Розміри тихохідного вала редуктора 1Ц2У у формі зубчастої муфти:
| b | d | d1 | d2 | d3 | L | l | l1 | Зачеплення | |
| m | z | ||||||||
| 25 | 210 | 100 | 80F8 | 105 | 192 | 10 | 50 | 5 | 40 |
Варіанти складання циліндричного двоступеневого редуктора 1Ц2У-200:

Технічні характеристики редуктора 1Ц2У-200:
| Передатне число | 8; 10; 12.5; 16; 20; 25; 31.5; 40 | |
| Значення Мкр у разі тривалого терміну роботи з постійним навантаженням, Нм | Безперервний (Н) ПВ=100% | 2500 |
| Значення Мкр під час роботи з короткочасним повторюваним навантаженням, Нм | Важкий (Т) ПВ=40% | 3150 |
| Середній (С) ПВ=25% | 4000 | |
| Легкий (Л) ПВ=15% | 5000 | |
| Навантаження, яке додається до вхідного валу Fвх, Н | Безперервний (Н) ПВ=100% | 2240 |
| Важкий (Т) ПВ=40% | 2500 | |
| Середній (С) ПВ=25% | 2800 | |
| Легкий (Л) ПВ=15% | 3150 | |
| Навантаження, яке додається до вихідного валу Fвих, Н | Безперервний (Н) ПВ=100% | 12500 |
| Важкий (Т) ПВ=40% | 14000 | |
| Середній (С) ПВ=25% | 16000 | |
| Легкий (Л) ПВ=15% | 18000 | |
| ККД, % | 97 | |
| Вага редуктора, кг | Корпус з алюмінію | - |
| Корпус із чавуну | 170 | |
ПРИМІР УСОВАНОГО ОБОЗНАЧЕННЯ ЗА ЗАМОГА:
Застосування двоступеневого циліндричного редуктора типу Ц2У (1Ц2У): 100, 125, 160, 200, 250, 315:
навантаження постійне та змінне одного напрямку та реверсивне робота тривала або з періодичними зупинками обертання валів у будь-який бік частота обертання вхідного вала не має перевищувати 1800 об/хв.
1ц2у 250
Відгуків про цей товар ще не було.
Немає відгуків про цей товар, станьте першим, залиште свій відгук.
Немає питань про даний товар, станьте першим і задайте своє питання.