Глобоїдний редуктор РГЛ-150-50
Редуктор РГЛ-150-50
Ліфтові глобоїдні редуктори РГЛ-150-50 виконані у вигляді механізму, розміщеного в чавунному корпусі з фланцевим кріпленням електродвигуна.
Використовуються в пасажирських та вантажних ліфтах з ліфтовими лебідками. Даний вид обладнання встановлюється у вибухобезпечних приміщеннях з температурою від -15о до +40оС з неагресивними умовами.
Експлуатується тільки з встановленим під колесом черв'яком при частоті обертання 1000 об/хв, також допускається робота з частотою 1500 об/хв з моментом, що крутить, який зменшений на 20%.
Компанія «Промпривод» пропонує широкий асортимент редукторів для різних видів робіт. Для замовлення редуктора РГЛ 150 Ви можете заповнити форму онлайн на сторінці товару або зателефонувати за телефонами, вказаними на сайті. Діє гнучка система знижок постійних клієнтів. Здійснюємо своєчасну доставку по всіх регіонах України.
Конструкція редуктора РГЛ-150-50
Технічні характеристики редуктора РГЛ-150-50
| Тип | iN | n1 | P1 | Т2 | Fra |
| хв-1 | кВт | H*м | Н | ||
| РГЛ-150 | 50 | 1000 | 4.1 | 1500 | 32 000 |
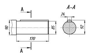
Розміри вхідних і вихідних валів

Розміри вхідних конічних валів
| Типорозмір | d | I | I1 | b | t |
| РГЛ-150 | 45 мм | 80 мм | 60 мм | 14 мм | 20 мм |
Розміри вихідних валів конічних
| Типорозмір | d | I | I1 | b | t |
| РГЛ-150 | 90 мм | 170 мм | 140 мм | 22 мм | 46.75 мм |
Вихідний вал циліндричний для редуктора РГЛ-150

Схеми складання редуктора

Глобоидный редуктор РГЛ-150-50
Відгуків про цей товар ще не було.
Немає відгуків про цей товар, станьте першим, залиште свій відгук.
Немає питань про даний товар, станьте першим і задайте своє питання.
