Глобоїдний редуктор РГЛ-160-10
Редуктор РГЛ-160-10
Глобоїдний ліфтовий редуктор РГЛ-160-10 має вигляд механізму, на якому знаходиться фланцеве кріплення електродвигуна. Розміщений у чавунному корпусі та використовується для комплектування ліфтових лебідок у пасажирському чи лікарняному ліфті.
Встановлюється тільки з розміщеним під колесом черв'яком та експлуатується при частоті обертання 1000 об/хв у навколишньому середовищі з температурою від -15о до +40оС.
Компанія «Промпривод» пропонує широкий асортимент редукторів для різних видів робіт. Для замовлення редуктора РГЛ 160 Ви можете заповнити форму онлайн на сторінці товару або зателефонувати за телефонами, вказаними на сайті. Діє гнучка система знижок постійних клієнтів. Здійснюємо своєчасну доставку по всіх регіонах України.
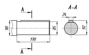
Габаритні розміри редуктора РГЛ-160
Розміри вхідних і вихідних валів

Розміри вхідних конічних валів
| Типорозмір | d | I | I1 | b | t |
| РГЛ-160 | 45 мм | 80 мм | 61 мм | 14 мм | 25 мм |
Розміри вихідних конічних валів
| Типорозмір | d | I | I1 | b | t |
| РГЛ-160 | 90 | 170 | 140 | 22 | 46.75 |
Вихідний циліндричний вал

Схеми складання

Глобоидный редуктор РГЛ-160-10
Відгуків про цей товар ще не було.
Немає відгуків про цей товар, станьте першим, залиште свій відгук.
Немає питань про даний товар, станьте першим і задайте своє питання.
