Глобоїдний редуктор РГЛ-160-16
Редуктор РГЛ-160-16
Щоб доукомплектувати ліфтові лебідки, необхідно використовувати глобоїдний редуктор РГЛ-160-16. Такий вид редуктора використовують для роботи пасажирських або вантажних ліфтів.
Застосовується у вибухобезпечних приміщеннях з неагресивним навколишнім середовищем та температурою від -15о до +40оС. Здатний працювати зі змінними чи постійними навантаженнями при періодичних зупинках.
Компанія «Промпривод» пропонує широкий асортимент редукторів для різних видів робіт. Для замовлення редуктора РГЛ 160 Ви можете заповнити форму онлайн на сторінці товару або зателефонувати за телефонами, вказаними на сайті. Діє гнучка система знижок постійних клієнтів. Здійснюємо своєчасну доставку по всіх регіонах України.
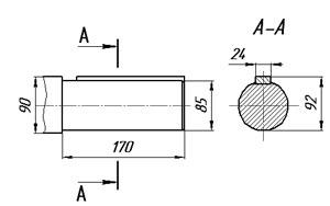
Габаритні розміри редуктора РГЛ-160
Технічні характеристики редуктора
| Тип редуктора | iN | n1 | P1 | Т2 | Fra |
| хв-1 | кВт | Н·м | Н | ||
| РГЛ-160 | 16 | 1000 | 10.9 | 1500 | 32 000 |
Розміри вхідних і вихідних валів

Розміри вхідних конічних валів
| Типорозмір | d | I | I1 | b | t |
| РГЛ-160 | 45 мм | 80 мм | 61 мм | 14 мм | 25 мм |
Розміри вихідних конічних валів
| Типорозмір | d | I | I1 | b | t |
| РГЛ-160 | 90 | 170 | 140 | 22 | 46.75 |
Вихідний циліндричний вал

Схеми складання

Глобоидный редуктор РГЛ-160-16
Відгуків про цей товар ще не було.
Немає відгуків про цей товар, станьте першим, залиште свій відгук.
Немає питань про даний товар, станьте першим і задайте своє питання.
