Глобоїдний редуктор РГЛ-160-40
Редуктор РГЛ-160-40
Редуктор РГЛ-160-40 використовується з ліфтовими лебідками та має фланцеве кріплення для електродвигуна. Даний вид редуктора встановлюється у приміщеннях, які мають довкілля з температурою від -15о до +40оС. Застосовується для укомплектування таких видів ліфтів:
- Пасажирських.
- Вантажних.
Здатний працювати зі змінними чи постійними навантаженнями при періодичних зупинках.
Компанія «Промпривод» пропонує широкий асортимент редукторів для різних видів робіт. Для замовлення редуктора РГЛ 160 Ви можете заповнити форму онлайн на сторінці товару або зателефонувати за телефонами, вказаними на сайті. Діє гнучка система знижок постійних клієнтів. Здійснюємо своєчасну доставку по всіх регіонах України.
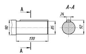
Габаритні розміри редуктора РГЛ-160
Технічні характеристики редуктора
| Тип редуктора | iN | n1 | P1 | Т2 | Fra |
| мін-1 | кВт | Н·м | Н | ||
| РГЛ-160 | 40 | 1000 | 5 | 1500 | 32 000 |
Розміри вхідних і вихідних валів

Розміри вхідних конічних валів
| Типорозмір | d | I | I1 | b | t |
| РГЛ-160 | 45 мм | 80 мм | 61 мм | 14 мм | 25 мм |
Розміри вихідних конічних валів
| Типорозмір | d | I | I1 | b | t |
| РГЛ-160 | 90 | 170 | 140 | 22 | 46.75 |
Вихідний циліндричний вал

Схеми складання

Глобоидный редуктор РГЛ-160-40
Відгуків про цей товар ще не було.
Немає відгуків про цей товар, станьте першим, залиште свій відгук.
Немає питань про даний товар, станьте першим і задайте своє питання.
