Глобоїдний редуктор РГЛ-160-25
Редуктор РГЛ-160-25
Глобоїдний редуктор РГЛ-160-25 має вигляд механізму, який розміщений у чавунному корпусі із кріпленням фланцевого типу для електродвигуна. Здатний нести велике консольне навантаження зі змінними або постійними навантаженнями з періодичними зупинками.
Найчастіше редуктори використовується з частотою обертання черв'яка 1000 об/хв, але при зменшеному на 20% моменті, що крутить, можлива експлуатація з частотою обертання черв'яка рівною 1500 об/хв. Використовується з лебідками у таких типах ліфтів:
- Пасажирські ліфти.
- Вантажні ліфти.
Встановлюється у вибухобезпечних приміщеннях із температурою від -15о до +40оС.
Компанія «Промпривод» пропонує широкий асортимент редукторів для різних видів робіт. Для замовлення редуктора РГЛ 160 Ви можете заповнити форму онлайн на сторінці товару або зателефонувати за телефонами, вказаними на сайті. Діє гнучка система знижок постійних клієнтів. Здійснюємо своєчасну доставку по всіх регіонах України.
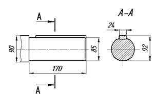
Габаритні розміри редуктора РГЛ-160
Технічні характеристики редуктора
| Тип редуктора | iN | n1 | P1 | Т2 | Fra |
| хв-1 | кВт | Н·м | Н | ||
| РГЛ-160 | 25 | 1000 | 7.2 | 1500 | 32 000 |
Розміри вхідних і вихідних валів

Розміри вхідних конічних валів
| Типорозмір | d | I | I1 | b | t |
| РГЛ-160 | 45 мм | 80 мм | 61 мм | 14 мм | 25 мм |
Розміри вихідних конічних валів
| Типорозмір | d | I | I1 | b | t |
| РГЛ-160 | 90 | 170 | 140 | 22 | 46.75 |
Вихідний циліндричний вал

Схеми складання

Глобоидный редуктор РГЛ-160-25
Відгуків про цей товар ще не було.
Немає відгуків про цей товар, станьте першим, залиште свій відгук.
Немає питань про даний товар, станьте першим і задайте своє питання.
