Глобоїдний редуктор РГЛ-160-20
Редуктор РГЛ-160-20
Редуктор РГЛ-160-20 виконаний у вигляді механізму в чавунному корпусі із фланцевим кріпленням електромотора. Використовується у навколишньому середовищі з температурою не більше від -15о до +40оС.
Головною особливістю даного виду редукторів є здатність нести велике консольне навантаження на вихідному валу з постійним, що не залежить від передавального числа, моменті, що крутить.
Компанія «Промпривод» пропонує широкий асортимент редукторів для різних видів робіт. Для замовлення редуктора РГЛ 160 Ви можете заповнити форму онлайн на сторінці товару або зателефонувати за телефонами, вказаними на сайті. Діє гнучка система знижок постійних клієнтів. Здійснюємо своєчасну доставку по всіх регіонах України.
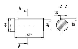
Габаритні розміри редуктора РГЛ-160
Технічні характеристики редуктора
| Тип редуктора | iN | n1 | P1 | Т2 | Fra |
| хв-1 | кВт | Н·м | Н | ||
| РГЛ-160 | 20 | 1000 | 8.6 | 1500 | 32 000 |
Розміри вхідних і вихідних валів

Розміри вхідних конічних валів
| Типорозмір | d | I | I1 | b | t |
| РГЛ-160 | 45 мм | 80 мм | 61 мм | 14 мм | 25 мм |
Розміри вихідних конічних валів
| Типорозмір | d | I | I1 | b | t |
| РГЛ-160 | 90 | 170 | 140 | 22 | 46.75 |
Вихідний циліндричний вал

Схеми складання

Глобоидный редуктор РГЛ-160-20
Відгуків про цей товар ще не було.
Немає відгуків про цей товар, станьте першим, залиште свій відгук.
Немає питань про даний товар, станьте першим і задайте своє питання.
