Глобоїдний редуктор РГЛ-150-59
Редуктор РГЛ-150-59
Редуктори РГЛ-150-59 необхідно встановлювати у вибухобезпечних приміщеннях з температурою навколишнього середовища в межах від -15о до +40оС.
Є механізмом, який розміщений у чавунному корпусі з фланцевим кріпленням електродвигуна. Використовуються з лебідками для різних типів обладнання, таких як:
- Пасажирські ліфти.
- Вантажні ліфти.
- Та інші.
Експлуатуються тільки з розміщеним під колесом черв'яком при 1000 об/хв, можлива робота при 1500 об/хв зі зменшенням моменту, що крутить, на 20%.
Компанія «Промпривод» пропонує широкий асортимент редукторів для різних видів робіт. Для замовлення редуктора РГЛ 150 Ви можете заповнити форму онлайн на сторінці товару або зателефонувати за телефонами, вказаними на сайті. Діє гнучка система знижок постійних клієнтів. Здійснюємо своєчасну доставку по всіх регіонах України.
Конструкція редуктора РГЛ-150-59
Технічні характеристики редуктора РГЛ-150-59
| Тип | iN | n1 | P1 | Т2 | Fra |
| хв-1 | кВт | H*м | Н | ||
| РГЛ-150 | 59 | 1000 | 3.5 | 1500 | 32 000 |
Розміри вхідних і вихідних валів

Розміри вхідних конічних валів
| Типорозмір | d | I | I1 | b | t |
| РГЛ-150 | 45 мм | 80 мм | 60 мм | 14 мм | 20 мм |
Розміри вихідних конічних валів
| Типорозмір | d | I | I1 | b | t |
| РГЛ-150 | 90 мм | 170 мм | 140 мм | 22 мм | 46.75 мм |
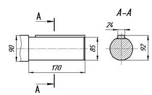
Вихідний вал циліндричний для редуктора РГЛ-150

Схеми складання редуктора

Глобоидный редуктор РГЛ-150-59
Відгуків про цей товар ще не було.
Немає відгуків про цей товар, станьте першим, залиште свій відгук.
Немає питань про даний товар, станьте першим і задайте своє питання.
