Черв'ячний редуктор 2Ч-30-31.5
Черв'ячний редуктор 2Ч-30-31.5
Черв'ячний редуктор 2Ч-30-31.5 це універсальний одноступінчастий пристрій. Такі редуктори знайшли універсальне застосування, в основному його встановлюють як комплектуючий у машинах із приводною системою.
Для оптимальної роботи швидкість обертання валу не повинна бути вищою, ніж 1800 об/хв. Навколишнє середовище в якому працює редуктор не повинно бути агресивним і вибухонебезпечним.
Замовити цей редуктор або інше обладнання ви можете, зателефонувавши. Наші менеджери завжди раді надати вам повну технічну характеристику будь-якого пристрою. Політика нашої компанії полягає у індивідуальному підході до кожного клієнта.
Переваги роботи з компанією «Промпривод»:
- Гарантія від виробника на 12 місяців.
- Висока якість товару, оскільки кожен пристрій перед відправкою проходить ряд перевірок.
- Виконання всіх умов договору.
- З кожним редуктором йде паспорт з усіма печатками ВТК.
- Відвантаження товару відбувається у вказані терміни, без затримок.
- Доставка здійснюється по всій Україні.
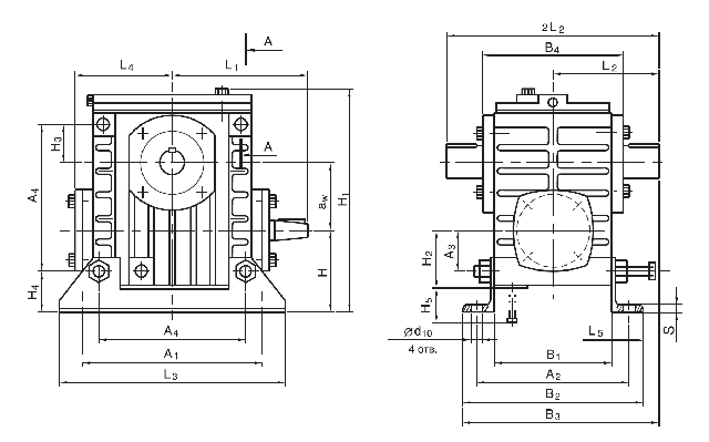
Габаритні та приєднувальні розміри черв'ячного редуктора 2Ч-30

Технічні характеристики черв'ячного редуктора 2Ч-30
| Найменування параметрів | Значення | |
|---|---|---|
| Міжосьова відстань, мм | 30 | |
| Номінальна частота обертання вхідного вала, об/хв | 1500 | |
| Номінальне передавальне число | 31.5 | |
| Номінальний момент, що крутить, на вихідному валу, Нм, при ПВ, % | 40 | 15 |
| 100 | 10 | |
| ККД, %, у безперервному режимі з ПВ=100%, не менше | 55 | |
| Допустиме радіальне консольне навантаження, Н, прикладене до середини посадкової частини кінця валу, при ПВ% | вхідного | 50 |
| вихідного | 800 | |
| Маса редуктора, кг, не більше | 1,9 | |
Варіант складання редуктора:

Варіант розташування черв'ячної пари:

Приклад умовного позначення черв'ячного редуктора 2Ч-30

Червячный редуктор 2Ч-30-31.5
Відгуків про цей товар ще не було.
Немає відгуків про цей товар, станьте першим, залиште свій відгук.
Немає питань про даний товар, станьте першим і задайте своє питання.