Черв'ячний редуктор 2Ч-30-8
Черв'ячний редуктор 2Ч-30-8
Черв'ячний редуктор 2Ч-30-8 відноситься до одноступеневих пристроїв загального призначення. Дані пристрої перетворюють показники швидкості обертання та крутного моменту гвинта в приводах.
Редуктор оптимально працює як із періодичними зупинками, так і при тривалих навантаженнях, до 24 годин. Швидкість обертання вхідного валу має перевищувати 1800 обертів на хвилину.
Замовити цей редуктор або інше обладнання ви можете, зателефонувавши. Наші менеджери завжди раді надати вам повну технічну характеристику будь-якого пристрою. Політика нашої компанії полягає у індивідуальному підході до кожного клієнта.
Переваги роботи з компанією «Промпривод»:
- Гарантія від виробника на 12 місяців.
- Висока якість товару, оскільки кожен пристрій перед відправкою проходить ряд перевірок.
- Виконання всіх умов договору.
- З кожним редуктором йде паспорт з усіма печатками ВТК.
- Відвантаження товару відбувається у вказані терміни, без затримок.
- Доставка здійснюється по всій Україні.
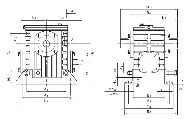
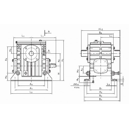
Габаритні та приєднувальні розміри черв'ячного редуктора 2Ч-30

Технічні характеристики черв'ячного редуктора 2Ч-30
| Найменування параметрів | Значення | |
|---|---|---|
| Міжосьова відстань, мм | 30 | |
| Номінальна частота обертання вхідного вала, об/хв | 1500 | |
| Номінальне передавальне число | 8 | |
| Номінальний момент, що крутить, на вихідному валу, Нм, при ПВ, % | 40 | 15 |
| 100 | 10 | |
| ККД, %, у безперервному режимі з ПВ=100%, не менше | 80 | |
| Допустиме радіальне консольне навантаження, Н, прикладене до середини посадкової частини кінця валу, при ПВ% | вхідного | 50 |
| вихідного | 800 | |
| Маса редуктора, кг, не більше | 1,9 | |
Варіант складання редуктора:

Варіант розташування черв'ячної пари:

Приклад умовного позначення черв'ячного редуктора 2Ч-30

Червячный редуктор 2Ч-30-8
Відгуків про цей товар ще не було.
Немає відгуків про цей товар, станьте першим, залиште свій відгук.
Немає питань про даний товар, станьте першим і задайте своє питання.