Черв'ячний редуктор 2Ч-40-12.5
Черв'ячний редуктор 2Ч-40-12.5
Черв'ячний редуктор 2Ч-40-12.5 це одноступінчастий пристрій, який має універсальне застосування. Принцип роботи даного механізму полягає у перетворенні частоти обертання та крутного моменту.
Дані редуктори стабільно працюють із періодичними зупинками, а також при тривалих навантаженнях. Середовище, в якому працює редуктор, не повинно бути вибухонебезпечним і в міру запиленим. Такі пристрої мають плавний хід і при роботі він не шумить, що дозволяє встановлювати редуктор в будь-яке місце. Вали механізму можуть обертатися в будь-який бік завдяки черв'ячному типу передачі.
Співпрацюючи з компанією «Промпривод», ви отримуєте обслуговування на європейському рівні. Також кожен пристрій перед відправкою проходить перевірки, що виключає будь-який брак.
Плюси роботи з компанією «Промпривод»:
- Гарантія від виробника на 1 рік.
- Виконання всіх умов договору на 100%.
- З кожним редуктором йде паспорт з усіма печатками ВТК.
- Відвантаження товару відбувається у вказані терміни, без затримок.
- Доставка йде по всій Україні.
Технічні характеристики редуктора:
| Номінальне передавальне число | Фактичне передавальне число | Частота обертання вала 1500 об/хв. | |
| Мкр на вихідному валу, Нм | ККД | ||
| 12.5 | 12.25 | 26 | 0.83 |
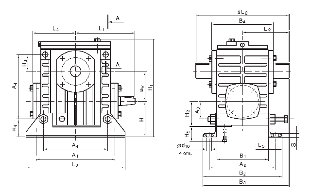
Габаритні та приєднувальні розміри черв'ячного редуктора 2Ч-40

Таблиця габаритних розмірів редуктора:
| Типорозмір редуктора | aw | А1 | А2 | А3 | А4 | B1 | B2 | B3 | B4 | H | H1 | H2 | H3 | H4 |
| 2Ч-40 | 40 | 150 | 140 | 35 | 105 | 100 | 164 | 182 | 120 | 72 | 180 | 55 | 30 | 37 |
| Типорозмір редуктора | H5 | L1 | L2 | L3 | L4 | L5 | b1 | b2 | d1 | d2 | d3 | d4 |
| 2Ч-40 | 115 | 100 | 90 | 180 | 75 | 32 | 3 | 6 | 16 | 18 | 14.6 | М5 |
Розміри вхідних/вихідних валів редуктора:

| Типорозмір редуктора | d5 | d6 | d7 | d8 | d9 | d10 | h1 | h2 | I1 | I2 | I3 | I4 | I5 | I6 |
| 2Ч-40 | М5 | 10.5 | 16 | 23 | 60 | 13 | 3 | 6 | 28 | 28 | 15 | 15 | 8 | 72 |
| Типорозмір редуктора | I7 | I8 | s | t1 | t2 | Евольвентні шліци ГОСТ 6033-80 | Об'єм олії, л | Маса, кг |
| 2Ч-40 | 20 | 112 | 4 | 1.8 | 14.5 | 22×1.5×7Н | 0.18…0.3 | 6.7 |
Варіант складання редуктора:

Варіант розташування черв'ячної пари:

Варіанти розташування лап по площинах:

ПРИКЛАД УМОВНОГО ПОЗНАЧЕННЯ ПРИ ЗАМОВЛЕННІ:

Червячный редуктор 2Ч-40-12.5
Відгуків про цей товар ще не було.
Немає відгуків про цей товар, станьте першим, залиште свій відгук.
Немає питань про даний товар, станьте першим і задайте своє питання.