Черв'ячний редуктор 2Ч-63-25
Черв'ячний редуктор 2Ч-63-25
Черв'ячний редуктор 2Ч-63-25 використовують для зміни моменту, що крутить, і частоти обертання вала в приводах різного обладнання. Такі пристрої мають плавний хід і під час роботи не шумить. Він здатний працювати при постійному та реверсивному навантаженні з періодичними зупинками.
Редуктор складається із спеціального ведучого гвинта та веденого колеса, які поміщені в єдиний корпус із лапами, для кріплення. Черв'ячна передача дозволяє обертати вали редуктора обидві сторони без переваг.
До мінусів такого редуктора можна віднести його схильність до нагрівання та схильність до заїдання при великих навантаженнях.
Переваги роботи з компанією «Промпривод»:
- Висока якість товару.
- Індивідуальний підхід до кожного клієнта.
- Гарантія від виробника на 12 місяців.
- З кожним пристроєм іде паспорт з усіма печатками ВТК.
- 100% виконання умов договору.
- Доставка по всій Україні, будь-яким зручним для вас способом.
Технічні характеристики редуктора:
| Номінальне передавальне число | Фактичне передавальне число | Частота обертання вала 1500 об/хв. | Маса редуктора, кг | Об'єм олії, що заливається, літр | |
| Мкр на вихідному валу, Нм | ККД | ||||
| 25 | 25.5 | 95 | 0.81 | 13,1 | 0,3/0,7 |
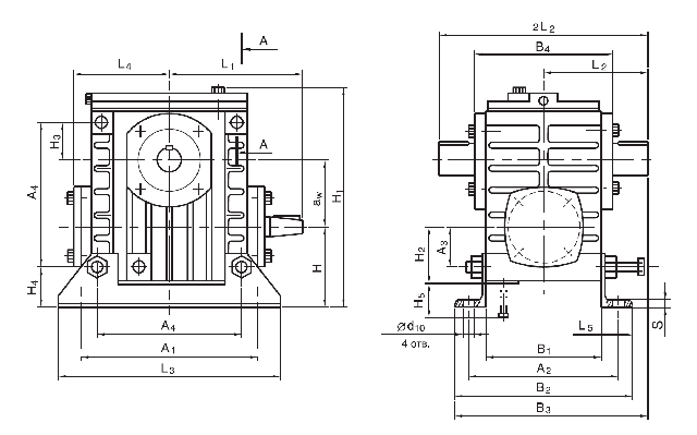
Габаритні та приєднувальні розміри

| Типорозмір редуктора | aw | А1 | А2 | А3 | А4 | B1 | B2 | B3 | B4 | H | H1 | H2 | H3 | H4 |
| 2Ч-63 | 63 | 180 | 165 | 42 | 150 | 125 | 197 | 219 | 145 | 82 | 225 | 59 | 45 | 40 |
| Типорозмір редуктора | H5 | L1 | L2 | L3 | L4 | L5 | b1 | b2 | d1 | d2 | d3 | d4 |
| 2Ч-63 | 155 | 145 | 120 | 220 | 100 | 36 | 4 | 8 | 22 | 28 | 20.2 | М8 |
Вхідний і вихідний вали

| Типорозмір редуктора | d5 | d6 | d7 | d8 | d9 | d10 | h1 | h2 | I1 | I2 | I3 | I4 | I5 | I6 |
| 2Ч-63 | М8 | 10.5 | 16 | 33 | 70 | 13 | 4 | 7 | 36 | 42 | 20 | 20 | 8 | 68 |
| Типорозмір редуктора | I7 | I8 | s | t1 | t2 | Евольвентні шліци ГОСТ 6033-80 | Об'єм олії, л | Маса, кг |
| 2Ч-63 | 20 | 108 | 5 | 2.5 | 24 | 32×1.5×8Н | 0.3…0.7 | 13.1 |
Варіант складання редуктора:

Варіант розташування черв'ячної пари:

Варіанти розташування лап по площинах:

ПРИКЛАД УМОВНОГО ПОЗНАЧЕННЯ ПРИ ЗАМОВЛЕННІ:

Червячный редуктор 2Ч-63-25
Відгуків про цей товар ще не було.
Немає відгуків про цей товар, станьте першим, залиште свій відгук.
Немає питань про даний товар, станьте першим і задайте своє питання.