Черв'ячний редуктор 2Ч-63-50
Черв'ячний редуктор 2Ч-63-50
Черв'ячний редуктор 2Ч-63-50 є універсальним механізмом із одноступінчастою передачею. Такий пристрій встановлюють, коли потрібно змінити параметри моменту, що крутить, і частоти обертання валу в приводах різного обладнання.
Редуктори знайшли універсальне застосування, в основному його встановлюють як комплектуючий у машинах із приводною системою. Пристрій оптимально працює як при постійному, так і реверсивному навантаженні.
Він складається із спеціального ведучого гвинта та веденого колеса, які поміщені в єдиний корпус із лапами, для кріплення.
Переваги роботи з компанією «Промпровод»:
- Висока якість товару.
- Індивідуальний підхід до кожного клієнта.
- Гарантія від виробника на 12 місяців.
- З кожним пристроєм йде паспорт з усіма печатками ВТК.
- 100% виконання умов договору.
- Доставка по всій Україні, будь-яким зручним для вас способом.
Технічні характеристики редуктора:
| Номінальне передавальне число | Фактичне передавальне число | Частота обертання вала 1500 об/хв. | Маса редуктора, кг | Об'єм олії, що заливається, літр | |
| Мкр на вихідному валу, Нм | ККД | ||||
| 50 | 51 | 100 | 0.68 | 13,1 | 0,3/0,7 |
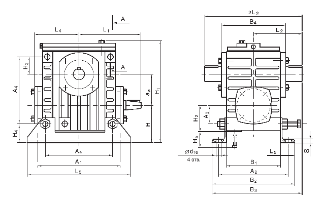
Габаритні та приєднувальні розміри

| Типорозмір редуктора | aw | А1 | А2 | А3 | А4 | B1 | B2 | B3 | B4 | H | H1 | H2 | H3 | H4 |
| 2Ч-63 | 63 | 180 | 165 | 42 | 150 | 125 | 197 | 219 | 145 | 82 | 225 | 59 | 45 | 40 |
| Типорозмір редуктора | H5 | L1 | L2 | L3 | L4 | L5 | b1 | b2 | d1 | d2 | d3 | d4 |
| 2Ч-63 | 155 | 145 | 120 | 220 | 100 | 36 | 4 | 8 | 22 | 28 | 20.2 | М8 |
Вхідний і вихідний вали

| Типорозмір редуктора | d5 | d6 | d7 | d8 | d9 | d10 | h1 | h2 | I1 | I2 | I3 | I4 | I5 | I6 |
| 2Ч-63 | М8 | 10.5 | 16 | 33 | 70 | 13 | 4 | 7 | 36 | 42 | 20 | 20 | 8 | 68 |
| Типорозмір редуктора | I7 | I8 | s | t1 | t2 | Евольвентні шліци ГОСТ 6033-80 | Об'єм олії, л | Маса, кг |
| 2Ч-63 | 20 | 108 | 5 | 2.5 | 24 | 32×1.5×8Н | 0.3…0.7 | 13.1 |
Варіант складання редуктора:

Варіант розташування черв'ячної пари:

Варіанти розташування лап по площинах:

ПРИКЛАД УМОВНОГО ПОЗНАЧЕННЯ ПРИ ЗАМОВЛЕННІ:

Червячный редуктор 2Ч-63-50
Відгуків про цей товар ще не було.
Немає відгуків про цей товар, станьте першим, залиште свій відгук.
Немає питань про даний товар, станьте першим і задайте своє питання.