Черв'ячний редуктор 2Ч-80-25
Черв'ячний редуктор 2Ч-80-25
Черв'ячний редуктор 2Ч-80-25 застосовують, коли потрібно змінити параметри моменту, що крутить, і частоту обертання вхідного валу в приводах різного обладнання.
Вали редуктора обертаються у різні боки. Редуктор має невеликі розміри та практично безшумний, що дозволяє використовувати пристрій у будь-якому місці. Пристрій оптимально працює як при постійному, так і реверсивному навантаженні.
Замовити редуктори та інші пристрої просто – зателефонуйте нашим менеджерам або заповніть заявку. Весь товар проходить перевірки, що гарантує його високу якість.
Чому вибирають компанію «Промпривод»:
- До кожного клієнта особливий підхід (наші менеджери вміють вислухати та допомогти вам із вибором пристроїв).
- Ціни та гарантія від виробника.
- З кожним редуктором йде паспорт з усіма печатками ВТК.
- Відвантаження товару йде завжди у зазначені терміни.
- По інших регіонах України доставка йде будь-яким зручним для вас способом у найкоротші терміни.
Технічні характеристики редуктора:
| Номінальне передавальне число | Фактичне передавальне число | Частота обертання вала 1500 об/хв. | |
| Мкр на вихідному валу, Нм | ККД | ||
| 25 | 25.5 | 210 | 0.82 |
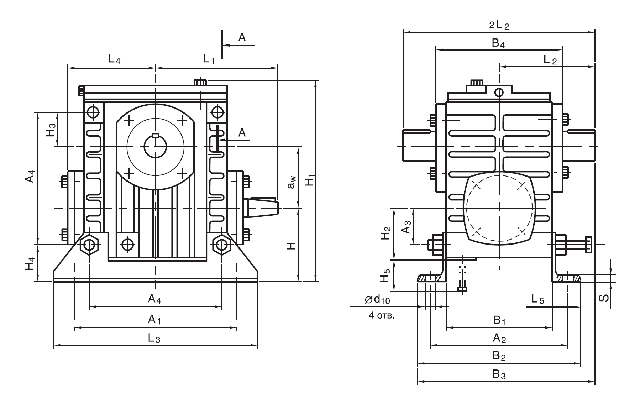
Габаритні та приєднувальні розміри

| Типорозмір редуктора | aw | А1 | А2 | А3 | А4 | B1 | B2 | B3 | B4 | H | H1 | H2 | H3 | H4 |
| 2Ч-80 | 80 | 225 | 185 | 50 | 180 | 140 | 212 | 250 | 165 | 92 | 267 | 75 | 50 | 42 |
| Типорозмір редуктора | H5 | L1 | L2 | L3 | L4 | L5 | b1 | b2 | d1 | d2 | d3 | d4 |
| 2Ч-80 | 190 | 160 | 145 | 260 | 120 | 36 | 5 | 10 | 25 | 35 | 22.9 | М8 |
Вхідний і вихідний вали

| Типорозмір редуктора | d5 | d6 | d7 | d8 | d9 | d10 | h1 | h2 | I1 | I2 | I3 | I4 | I5 | I6 |
| 2Ч-80 | М8 | 12.5 | 18 | 41 | 90 | 15 | 5 | 8 | 42 | 58 | 20 | 20 | 8 | 64 |
| Типорозмір редуктора | I7 | I8 | s | t1 | t2 | Евольвентні шліци ГОСТ 6033-80 | Об'єм олії, л | Маса, кг |
| 2Ч-80 | 26 | 116 | 5 | 3 | 30 | 40×1.5×8Н | 0.5…1 | 18.6 |
Варіант складання редуктора:

Варіант розташування черв'ячної пари:

Варіанти розташування лап по площинах:

ПРИКЛАД УМОВНОГО ПОЗНАЧЕННЯ ПРИ ЗАМОВЛЕННІ:

Червячный редуктор 2Ч-80-25
Відгуків про цей товар ще не було.
Немає відгуків про цей товар, станьте першим, залиште свій відгук.
Немає питань про даний товар, станьте першим і задайте своє питання.