Черв'ячний редуктор Ч-100-63
Черв'ячний редуктор Ч-100-63
Редуктор черв'ячний Ч-100-63 призначений для перетворення моменту, що крутить, і частоти обертання валу в приводі. Такі пристрої мають плавний хід і при роботі вони не шумлять. Вали механізму можуть обертатися в будь-який бік завдяки черв'ячному типу передачі.
Редуктор складається із спеціального ведучого гвинта та веденого колеса, які поміщені в єдиний корпус із лапами, для кріплення.
Замовити черв'ячні редуктори та інші пристрої можна у нас на сайті або зателефонувавши менеджерам. Наші фахівці допоможуть підібрати пристрої, надавши повну технічну характеристику товару.
Співпрацюючи з "Промприводом", ви отримуєте ряд переваг:
- 100% гарантія виконання умов договору.
- Усі пристрої проходять додаткові випробування, що гарантує високу якість товару.
- Гарантія 12 місяців.
- З кожним редуктором йде паспорт з усіма печатками ВТК.
- Відправлення відбувається у раніше обумовлені терміни.
- Доставка можлива по всій Україні.
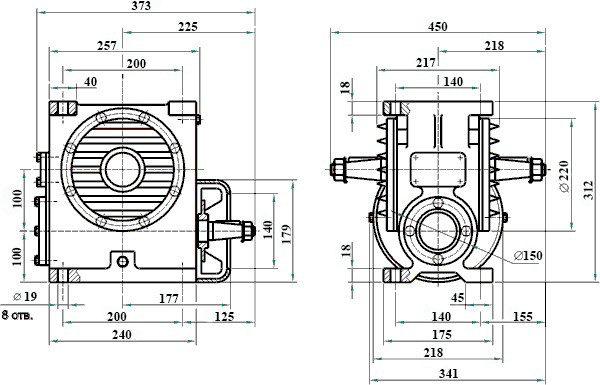
Габаритні та приєднувальні розміри:

Технічні характеристики редуктора
| Передавальні числа | Частота обертання вхідного вала, об/хв | Максимальне навантаження на валу | |||||||
| Ном. | Факт. | 1500 | 1000 | 750 | Вхід. вал, Н | Вихід. вал, Н | |||
| Допустимий Мкр на вих. валу, Нм | ККД | Допустимий Мкр на вих. валу, Нм | ККД | Допустимий Мкр на вих. валу, Нм | ККД | ||||
| 63 | 64 | 313 | 0.69 | 350 | 0.64 | 396 | 0.6 | 800 | 5500 |
Розміри вхідних/вихідних валів редуктора

| Вихідні кінці валів | L | L1 | L2 | L3 | b | d | d1 | t | m | |
| Конічні | Швидкохідний вал | 80 | 58 | 24 | 18 | 6 | 32 | M20×1,5-8g | 17.05 | – |
| Тихохідний вал | 110 | 82 | 32 | 25 | 12 | 45 | M30×2-8g | 23.45 | – | |
| Циліндричні | Швидкохідний вал | 80 | – | – | – | 10 | 32 | – | 35 | – |
| Тихохідний вал | 110 | – | – | – | 14 | 45 | – | 48.5 | – | |
| Вал порожнистий шліцевий | 205 | 90 | 57.5 | – | – | 45 | 46 | – | 2 | |
Примітка: Редуктор Ч-100 за замовчуванням укомплектований конічними вхідними та вихідними валами. Циліндричне виготовлення вхідного та/або вихідного вала обговорюються під час замовлення.


Умовне позначення черв'ячного редуктора Ч-100

Червячный редуктор Ч-100-63
Відгуків про цей товар ще не було.
Немає відгуків про цей товар, станьте першим, залиште свій відгук.
Немає питань про даний товар, станьте першим і задайте своє питання.