Черв'ячний редуктор Ч-125-63
Черв'ячний редуктор Ч-125-63
Черв'ячний редуктор Ч-125-63 є універсальним пристроєм загального призначення, призначеним для зміни моменту, що крутить, і частоти обертання вала.
Обертання валів можливе у будь-яку строну. Редуктор оптимально працює як при постійному, так і реверсивному навантаженні. Швидкість обертання валів не повинна перевищувати 1500 об/хв. Цей пристрій має невеликі габарити і не шумить.
Завдяки такій здатності пристрою знайшли широке застосування у різних пересувних механізмах, наприклад, лебідках та елеваторних машинах.
Переваги роботи з компанією «Промпривод»:
- Висока якість товару.
- Індивідуальний підхід до кожного клієнта.
- Гарантія 1 рік.
- З кожним пристроєм йде паспорт з усіма печатками ВТК.
- 100% виконання умов договору.
- Доставка по всій Україні будь-яким зручним для вас способом.
Технічні характеристики редуктора Ч-125
| Передавальні числа | Частота обертання вхідного вала, об/хв | Максимальне навантаження на валу | |||||||
| Ном. | Факт. | 1500 | 1000 | 750 | Вхід. вал, Н | Вихід. вал, Н | |||
| Допустимий Мкр на вих. валу, Нм | ККД | Допустимий Мкр на вих. валу, Нм | ККД | Допустимий Мкр на вих. валу, Нм | ККД | ||||
| 63 | 60 | 610 | 0.76 | 683 | 0.71 | 765 | 0.68 | 1200 | 8000 |
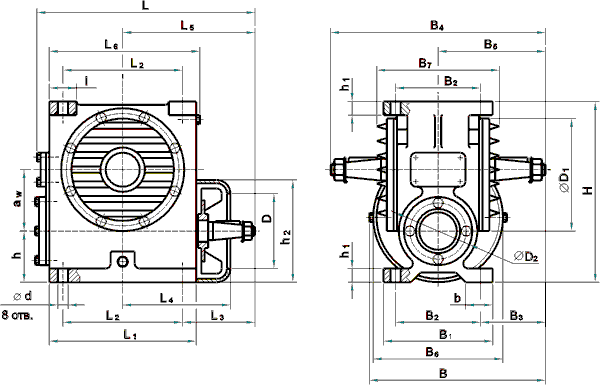
Габаритні та приєднувальні розміри


Габаритні та приєднувальні розміри
| Типорозмір редуктора | aw | L | L1 | L2 | L3 | L4 | L5 | L6 | I | d | b | H | h |
| Ч-125 | 125 | 437 | 275 | 230 | 146 | 210 | 261 | 290 | 45 | 19 | 60 | 396 | 111 |
| Типорозмір редуктора | h1 | h2 | D | D1 | D2 | B | B1 | B2 | B3 | B4 | B5 | B6 | B7 |
| Ч-125 | 22 | 217 | 165 | 275 | 170 | 363 | 230 | 190 | 135 | 460 | 230 | 246 | 242 |
| Типорозмір редуктора | Вихідні кінці валів | L | L1 | L2 | L3 | b | d | d1 | t | m | |
|
Ч-125 | Конічні | Вал швидкохідний | 80 | 58 | 24 | 18 | 6 | 32 | М20хl,5 8g | 17,05 | - |
| Вал тихохідний | 110 | 82 | 38 | 30 | 14 | 55 | М36х3 8g | 28.95 | - | ||
| Циліндричні | Вал швидкохідний | 80 | - | - | - | 10 | 32 | - | 35 | - | |
| Вал тихохідний | 110 | - | - | - | 16 | 55 | - | 49 | - | ||
| Вал порожнистий шліцевий | 230 | 110 | 60 | - | - | 55 | 60 | - | 2,5 | ||
Примітка: Редуктор Ч-125 за замовчуванням укомплектований конічними вхідними та вихідними валами. Циліндричне виготовлення вхідного та/або вихідного вала обговорюються під час замовлення.
Варіанти складання та розташування черв'ячної пари редуктора:


ПРИКЛАД УМОВНОГО ПОЗНАЧЕННЯ ПРИ ЗАМОВЛЕННІ:

Червячный редуктор Ч-125-63
Відгуків про цей товар ще не було.
Немає відгуків про цей товар, станьте першим, залиште свій відгук.
Немає питань про даний товар, станьте першим і задайте своє питання.