Черв'ячний редуктор Ч-160-16
Черв'ячний редуктор Ч-160-16
Черв'ячний редуктор Ч-160-16 - це одноступінчастий пристрій, який має універсальне застосування. Принцип роботи даного механізму полягає у перетворенні частоти обертання та крутного моменту.
Для оптимальної роботи швидкість обертання валу не повинна перевищувати 1500 оборотів на хвилину, а робоче середовище - не агресивне і не вибухонебезпечне.
Співпрацюючи з компанією «Промпривод», ви отримуєте якісне обслуговування у найкоротші терміни. Замовити будь-який товар можна у нас на сайті або зателефонувавши.
Плюси роботи з нами:
- 100% виконання умов договору.
- Пристрої проходять додаткові перевірки, що гарантує високу якість товару.
- Гарантія 1 рік.
- З кожним механізмом йде паспорт з усіма печатками ВТК.
- Відвантаження товару відбувається у обумовлені терміни.
- Доставка можлива по всій Україні.
Технічні характеристики редуктора Ч-160
| Передавальні числа | Частота обертання вхідного вала, об/хв | Максимальне навантаження на валу | |||||||
| Ном. | Факт. | 1500 | 1000 | 750 | Вхід. вал, Н | Вихід. вал, Н | |||
| Допустимий Мкр на вих. валу, Нм | ККД | Допустимий Мкр на вих. валу, Нм | ККД | Допустимий Мкр на вих. валу, Нм | ККД | ||||
| 16 | 16 | 1390 | 0.91 | 1557 | 0.89 | 1743 | 0.88 | 1600 | 11000 |
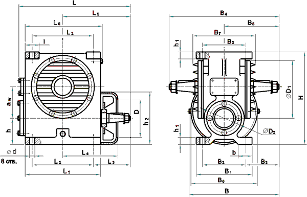
Габаритні та приєднувальні розміри редуктора Ч-160

| Типорозмір редуктора | aw | L | L1 | L2 | L3 | L4 | L5 | L6 | I | d | b | H | h |
| Ч-160 | 160 | 551 | 350 | 300 | 195 | 245 | 345 | 373 | 70 | 22 | 70 | 500 | 150 |
| Типорозмір редуктора | h1 | h2 | D | D1 | D2 | B | B1 | B2 | B3 | B4 | B5 | B6 | B7 |
| Ч-160 | 30 | 271 | 100 | 340 | 210 | 434 | 280 | 230 | 165 | 560 | 280 | 286 | 278 |

| Вихідні кінці валів | L | L1 | L2 | L3 | b | d | d1 | t | m | |
| Конічні | Швидкохідний вал | 110 | 82 | 28 | 20 | 10 | 40 | M24×2-8g | 20.95 | – |
| Тихохідний вал | 140 | 105 | 50 | 40 | 18 | 70 | M48×3-8g | 36.38 | – | |
| Циліндричні | Швидкохідний вал | 110 | – | – | – | 12 | 40 | – | 43 | – |
| Тихохідний вал | 140 | – | – | – | 20 | 70 | – | 74.5 | – | |
| Вал порожнистий шліцевий | 275 | 130 | 72.5 | – | – | 70 | 72 | – | 2.5 | |


Примітка: черв'ячна пара редуктора Ч-160 взаємозамінна з черв'ячною парою редуктора 1Ч-160.
ПРИКЛАД УМОВНОГО ПОЗНАЧЕННЯ ПРИ ЗАМОВЛЕННІ:

Червячный редуктор Ч-160-16
Відгуків про цей товар ще не було.
Немає відгуків про цей товар, станьте першим, залиште свій відгук.
Немає питань про даний товар, станьте першим і задайте своє питання.