Черв'ячний редуктор Ч-80-10
Черв'ячний редуктор Ч-80-10
Черв'ячний редуктор Ч-80-10 призначений для зміни моменту, що крутить, і частоти обертання валу в приводах різного обладнання. Такі редуктори мають невеликі розміри і працюють безшумно, що дозволяє встановлювати їх у будь-якому місці.
Обертання валів можливе у будь-яку строну. Редуктор оптимально працює як при постійному, так і реверсивному навантаженні. Швидкість обертання валів не повинна перевищувати 1500 об/хв.
Замовити редуктори черв'ячні та інші пристрої ви можете у нас на сайті або зателефонувавши менеджерам.
Співпрацюючи з "Промпривод", ви отримуєте ряд переваг:
- 100% гарантія виконання умов договору.
- Усі пристрої проходять додаткові тести, що унеможливлює будь-який брак.
- Гарантія 12 місяців.
- Ціни нижчі за ринок на 3-10%.
- З кожним редуктором йде паспорт з усіма печатками ВТК.
- Доставка можлива по всій Україні.
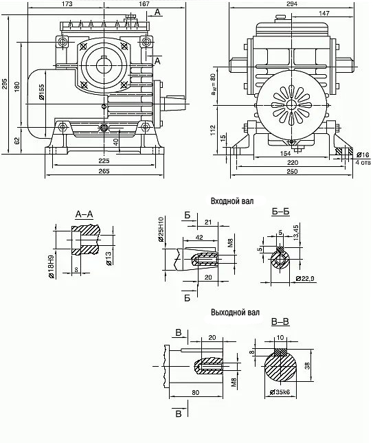
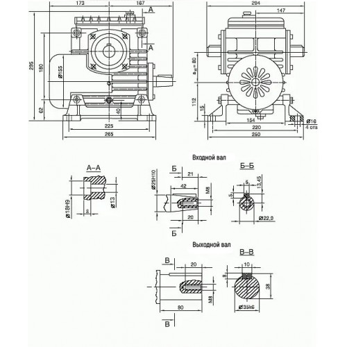
Габаритні та приєднувальні розміри Ч-80

Технічні характеристики редуктора Ч-80
| Передавальні числа | Частота обертання вхідного вала, об/хв | Максимальне навантаження на валу | |||||||
| Ном. | Факт. | 750 | 1000 | 1500 | Вхід. вал, Н | Вихід. вал, Н | |||
| Допустимий Мкр на вих. валу, Нм | ККД | Допустимий Мкр на вих. валу, Нм | ККД | Допустимий Мкр на вих. валу, Нм | ККД | ||||
| 10 | 10 | 250 | 0.88 | 224 | 0.89 | 190 | 0.9 | 500 | 4000 |
Варіанти складання редуктора Ч-80

Варіанти розташування черв'ячної пари

Варіанти розташування лап по площинах

Приклад запису умовного позначення під час замовлення:

Червячный редуктор Ч-80-10
Відгуків про цей товар ще не було.
Немає відгуків про цей товар, станьте першим, залиште свій відгук.
Немає питань про даний товар, станьте першим і задайте своє питання.