Черв'ячний редуктор Ч-80-25
Черв'ячний редуктор Ч-80-25
Черв'ячний редуктор Ч-80-25 використовують для зміни моменту, що крутить, і частоти обертання валу в приводах різного обладнання. Основна сфера застосування редуктора - це автомобілі, підйомно-транспортне обладнання.
Пристрій оптимально працює як при постійному, так і реверсивному навантаженні. Швидкість обертання валів не повинна перевищувати 1500 об/хв.
Замовити редуктори черв'ячні та інші пристрої ви можете у нас на сайті або, зателефонувавши менеджерам.
Співпрацюючи з "Промпривод", ви отримуєте ряд переваг:
- 100% гарантія виконання умов договору.
- Усі пристрої проходять додаткові тести, що унеможливлює будь-який брак.
- Гарантія 12 місяців.
- Ціни нижчі за ринок на 3-10%
- З кожним редуктором йде паспорт з усіма печатками ВТК.
- Доставка можлива по всій Україні.
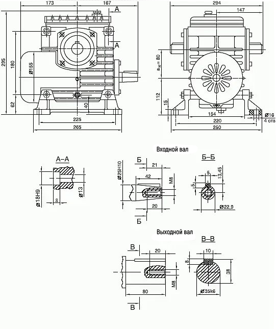
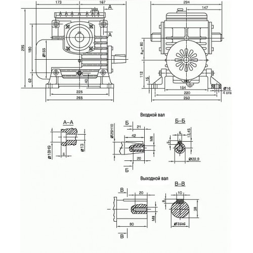
Габаритні та приєднувальні розміри Ч-80

Технічні характеристики редуктора Ч-80
| Передавальні числа | Частота обертання вхідного вала, об/хв | Максимальне навантаження на валу | |||||||
| Ном. | Факт. | 750 | 1000 | 1500 | Вхід. вал, Н | Вихід. вал, Н | |||
| Допустимий Мкр на вих. валу, Нм | ККД | Допустимий Мкр на вих. валу, Нм | ККД | Допустимий Мкр на вих. валу, Нм | ККД | ||||
| 25 | 26 | 243 | 0.78 | 224 | 0.79 | 195 | 0.83 | 500 | 4000 |
Варіанти складання редуктора Ч-80

Варіанти розташування черв'ячної пари

Варіанти розташування лап по площинах

Приклад запису умовного позначення під час замовлення:

Червячный редуктор Ч-80-25
Відгуків про цей товар ще не було.
Немає відгуків про цей товар, станьте першим, залиште свій відгук.
Немає питань про даний товар, станьте першим і задайте своє питання.