Черв'ячний редуктор Ч-80-31.5
Черв'ячний редуктор Ч-80-31.5
Одноступінчастий черв'ячний редуктор Ч-80-31.5 є універсальним пристроєм, який встановлюють як комплектуючий у машинах з приводною системою. Робота черв'ячного редуктора полягає у перетворенні частоти обертання та крутного моменту валу в приводах.
Атмосфера, для оптимальної роботи клапанів, має бути І та ІІ типів за ГОСТ 15150-69 при запиленості повітря не більше 10 мг/м3. Так само навколишнє середовище не повинно бути вибухонебезпечним. Вали редуктора обертаються у різні боки.
Замовити редуктори черв'ячні та інші пристрої ви можете у нас на сайті або, зателефонувавши менеджерам.
Співпрацюючи з "Промприводом", ви отримуєте ряд переваг:
- 100% гарантія виконання умов договору.
- Усі пристрої проходять додаткові тести, що унеможливлює будь-який брак.
- Гарантія 12 місяців.
- Ціни нижчі за ринок на 3-10%
- З кожним редуктором йде паспорт з усіма печатками ВТК.
- Доставка можлива по всій Україні.
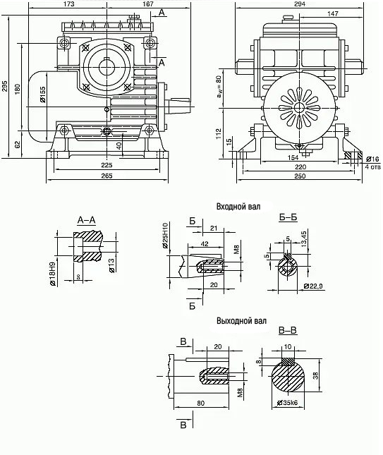
Габаритні та приєднувальні розміри Ч-80

Технічні характеристики редуктора Ч-80
| Передавальні числа | Частота обертання вхідного вала, об/хв | Максимальне навантаження на валу | |||||||
| Ном. | Факт. | 750 | 1000 | 1500 | Вхід. вал, Н | Вихід. вал, Н | |||
| Допустимий Мкр на вих. валу, Нм | ККД | Допустимий Мкр на вих. валу, Нм | ККД | Допустимий Мкр на вих. валу, Нм | ККД | ||||
| 31.5 | 31 | 300 | 0.72 | 280 | 0.75 | 250 | 0.78 | 500 | 4000 |
Варіанти складання редуктора Ч-80

Варіанти розташування черв'ячної пари

Варіанти розташування лап по площинах

Приклад запису умовного позначення під час замовлення:

Червячный редуктор Ч-80-31.5
Відгуків про цей товар ще не було.
Немає відгуків про цей товар, станьте першим, залиште свій відгук.
Немає питань про даний товар, станьте першим і задайте своє питання.